Ниже приведены схемы электрооборудования на Toyota Camry 1992-1997 г.в. История машины берет свое начало в 1983 году, когда появились первые экземпляры с совсем скромными моторами 1,8 и 2,0 литра. Кроме седана в производственной гамме присутствовал и кузов лифтбек, а позже, в < 1992 > году, выпускался и универсал. У нас же Camry начала набирать популярность с середины 90 годов, когда эти машины появились у спецподразделения ГАИ «Кобра». Затем на этот автомобиль обратили внимание и чиновники, в связи с чем Camry чаще всего ассоциируется с «государственным автомобилем».
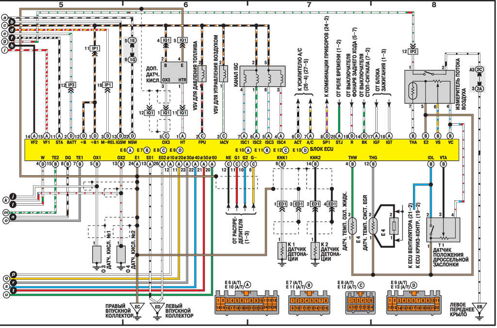
Электросхема управления двигателем 5S-FE, 3VZ-FE
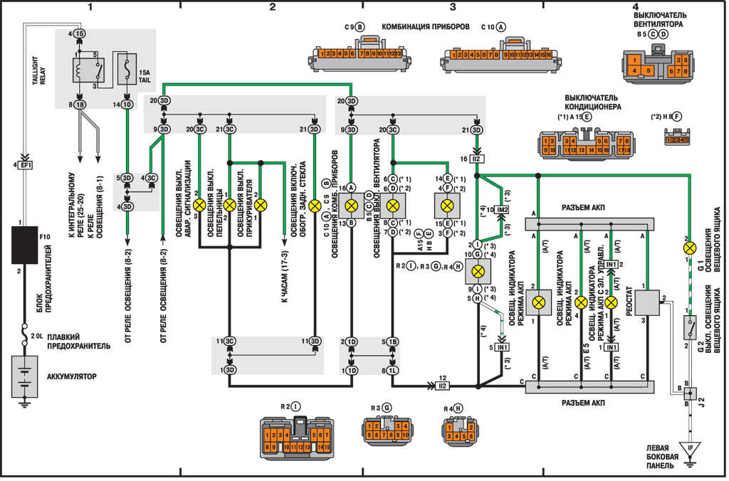
Электросхема комбинации приборов на Тойота Камри
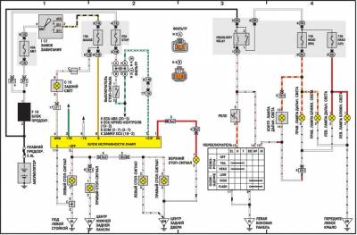
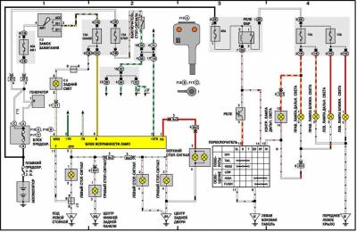
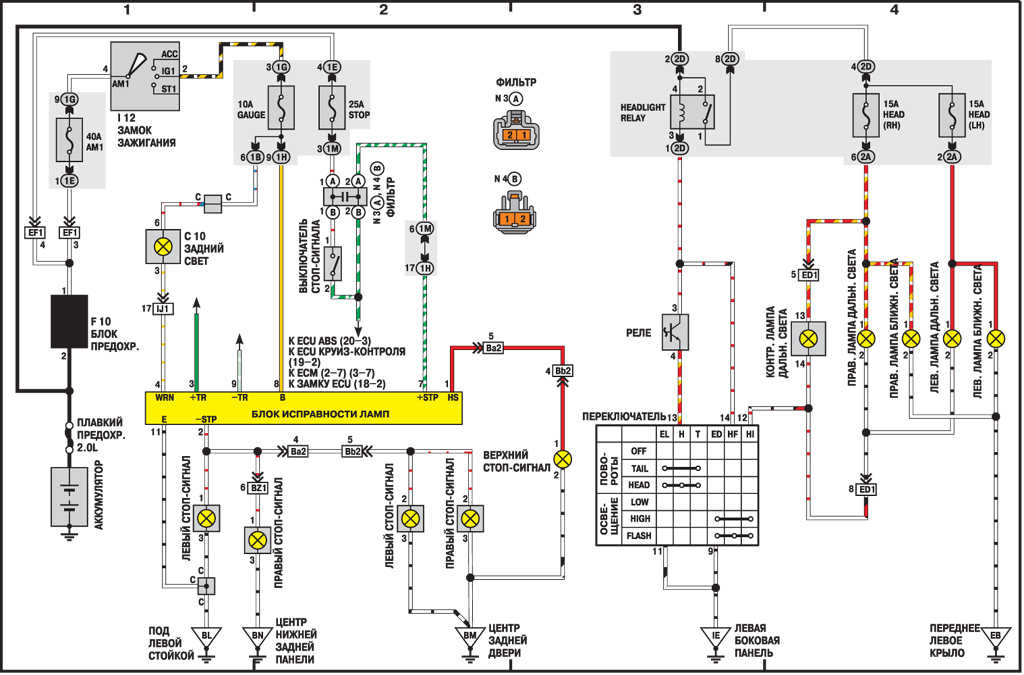
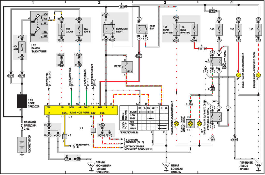
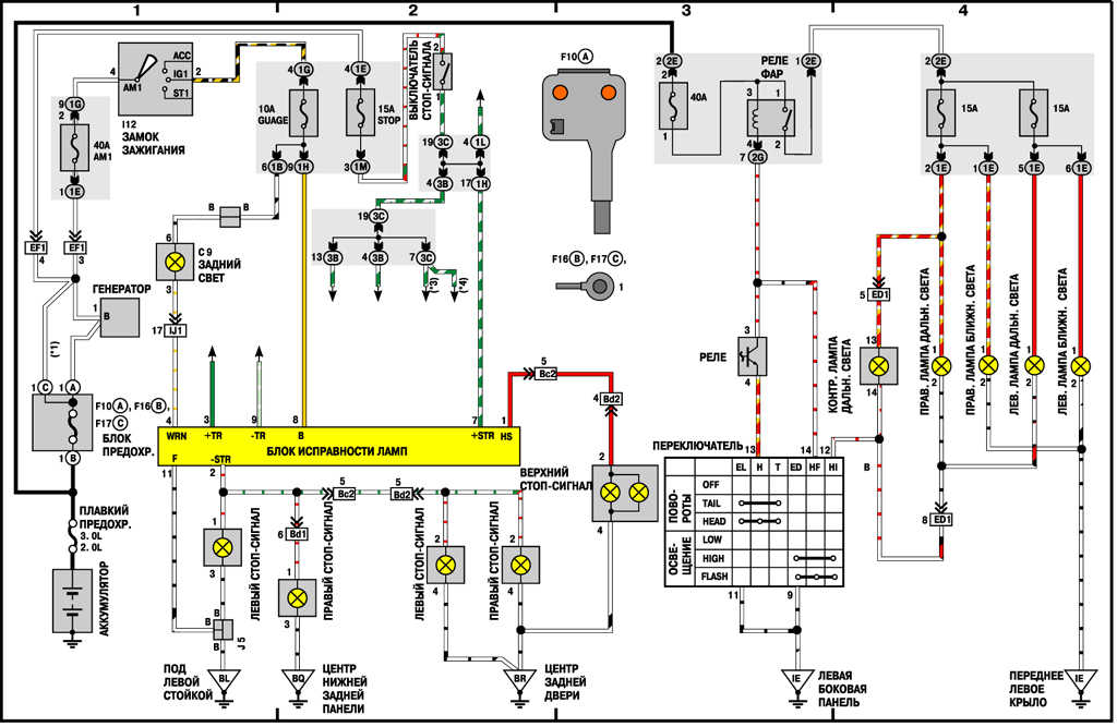
Схема стоп-сигналов и фар
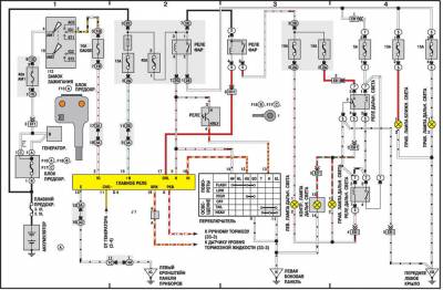
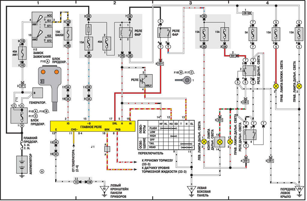
Электросхема фар на Тойота Камри
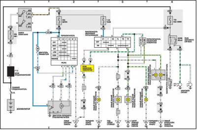
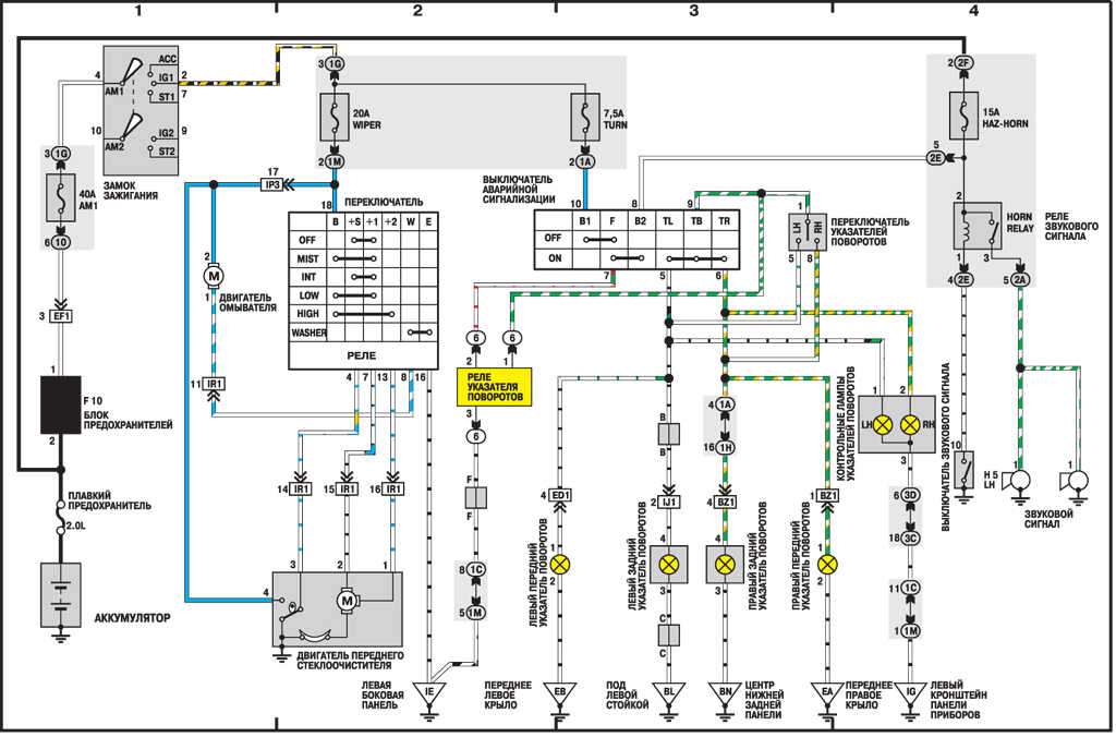
Эл.схема указателей поворотов и звукового сигнала
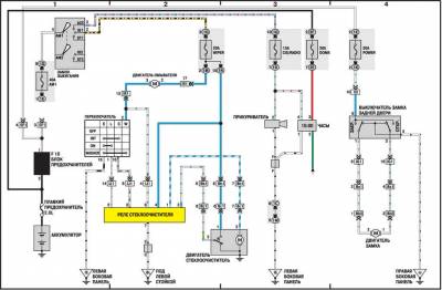
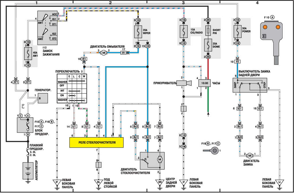
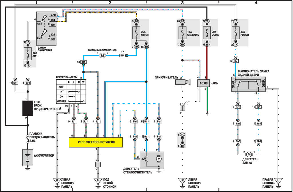
Схема освещения прикуривателя, управления замком задней двери
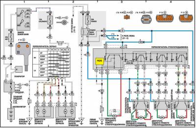
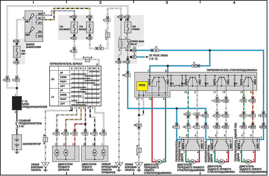
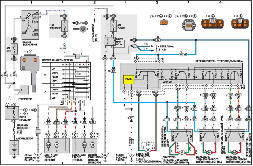
Электросхема управления зеркалами и стеклоподъемниками
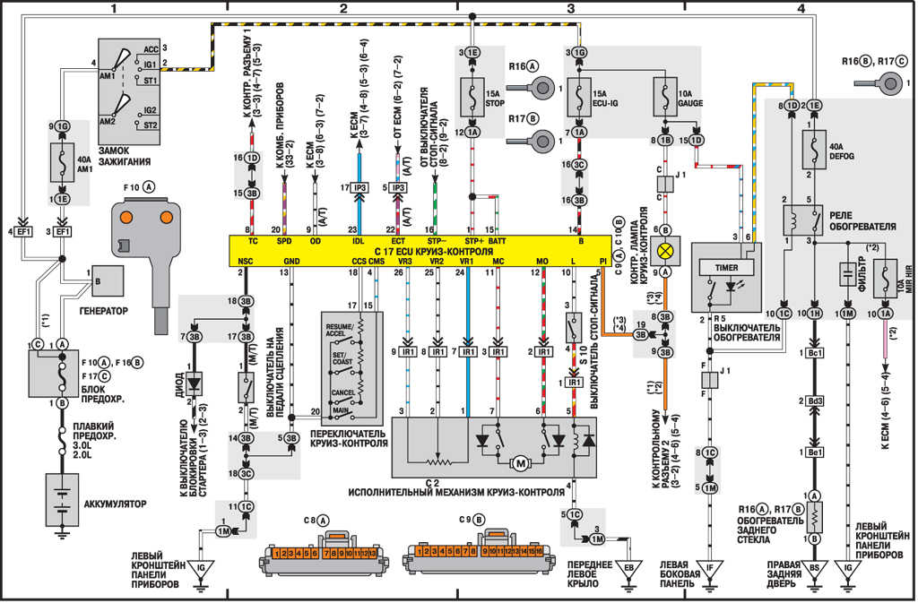
Электросхема круиз-контроля и обогревателя заднего стекла на Toyota Camry
Электросхема радио на Toyota Camry
Схема управления вентилятором и антенной
Электросхема освещения на Тойота Камри 1




















