Toyota Rav4 1994-2000 г.в. и схема электрооборудования к ней. Для RAV 4 первого поколения существует только один двигатель — двухлитровый бензиновый, мощностью 128 л.с. Этот мотор по-японски надежен, долговечен и обладает отличными характеристиками, обеспечивая достаточно легкому автомобилю прекрасную динамику. К тому же, он весьма экономичен — расход топлива на 100 км составляет 9-11 л. Существует как полноприводная модификация автомобиля, так и переднеприводная версия RAV 4. Последняя распространена намного меньше, чем полноприводная и ее стоимость на 10% ниже. Трансмиссия машины практически безупречна. Полноприводная версия RAV 4 имеет схему постоянного полного привода с распределением момента поровну между передними и задними колесами. Автомобиль комплектуется или абсолютно надежной механической коробкой переключения передач или «автоматом» с электронным управлением, который также зарекомендовал себя с лучшей стороны. Автоматическая коробка передач имеет два режима работы — экономичный («Norm») и спортивный («PWR»). Однако есть одно «но». Автомобиль не имеет главного атрибута внедорожника — понижающей передачи, без которой провернуть все четыре колеса в песке или вязкой грязи практически невозможно.
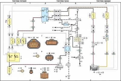
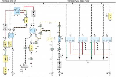
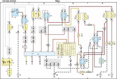
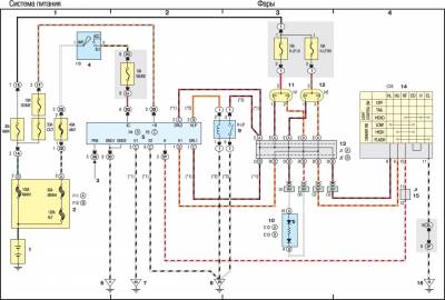
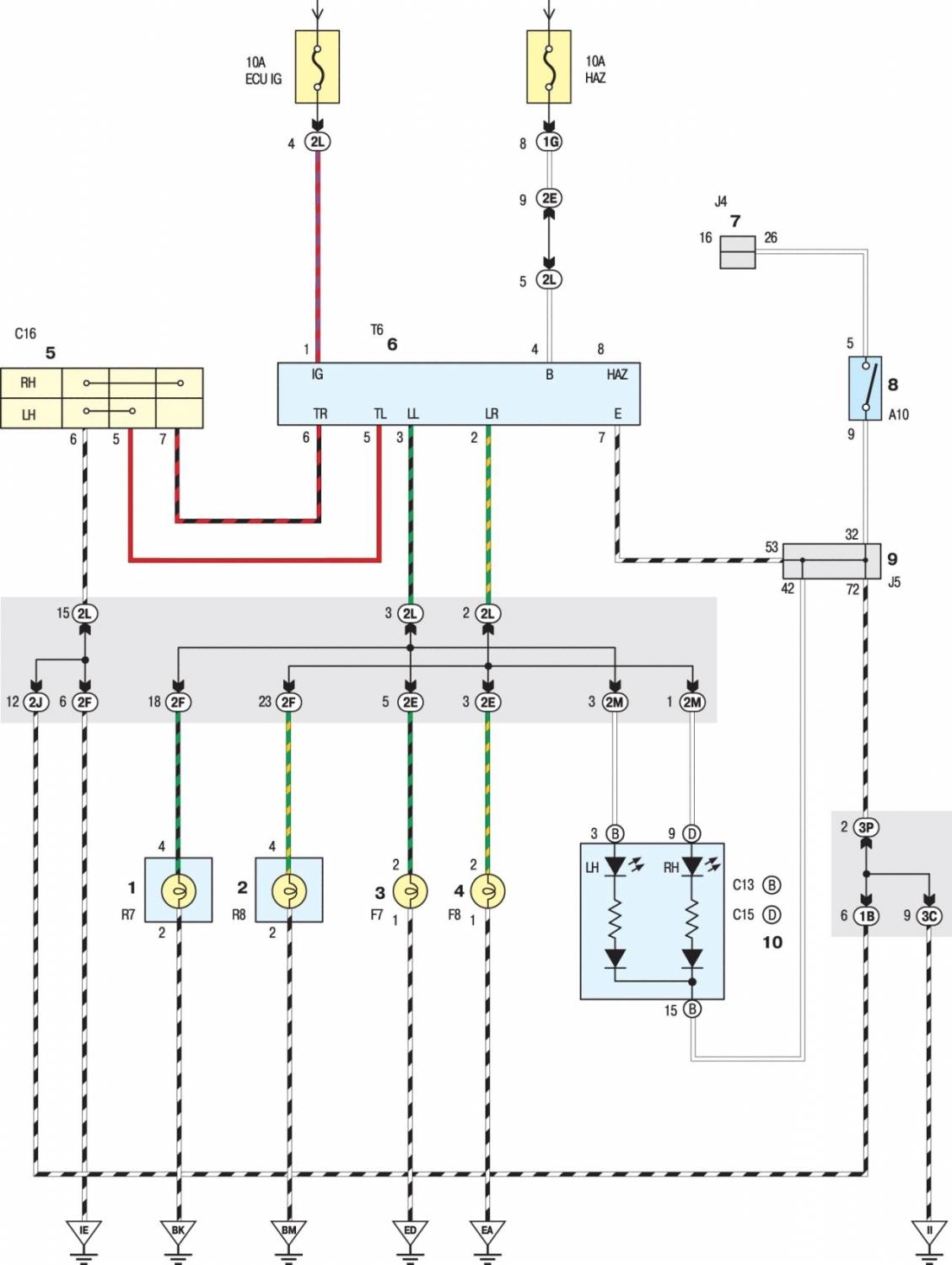
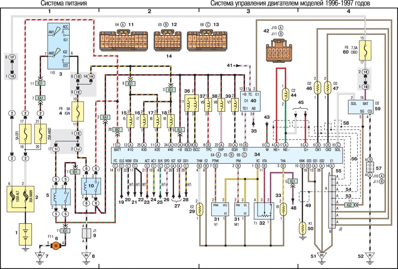
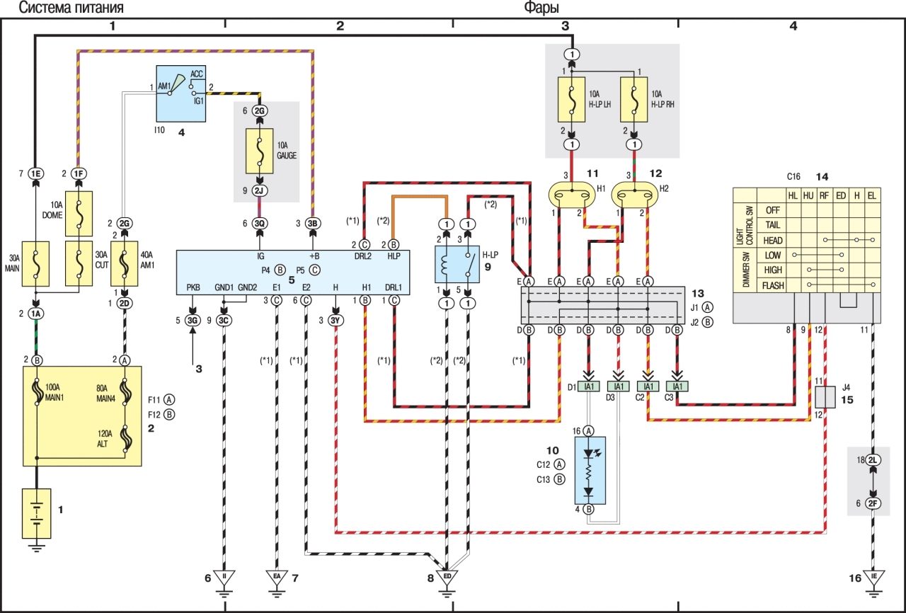
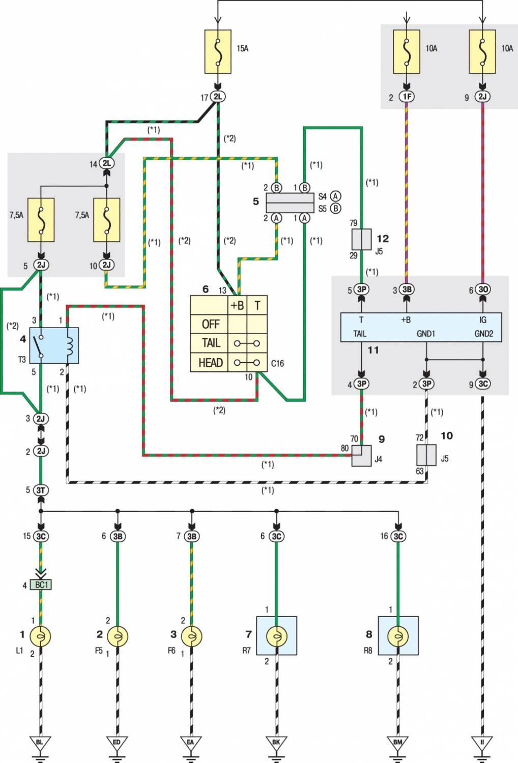
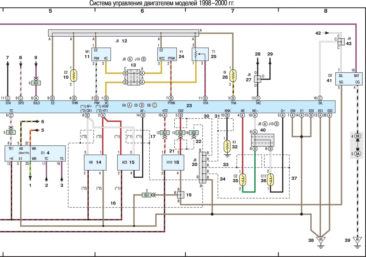
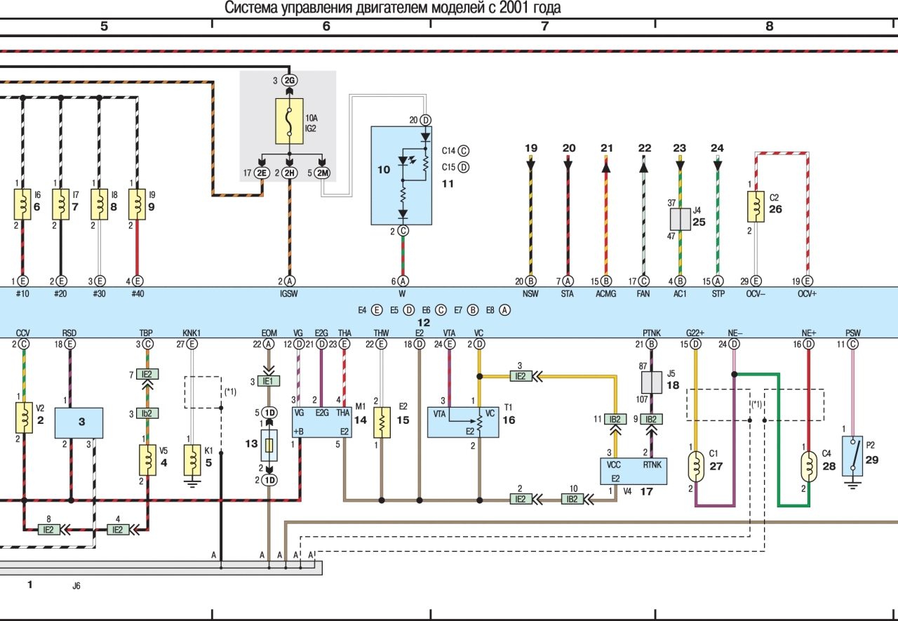
Всё описание на Toyota Rav4 в схемах




















