Схемы электрооборудования на Toyota 4runner 1987-1998 г.в. в помощь всем автовладельцам. Передние приводы очень надёжные. В соединении со ступицей в 4Раннере используются бронзовые втулки скольжения вместо игольчатого подшипника. Сами втулки могут выдержать гораздо большие нагрузки в тяжелых условиях, чем подшипник разумного размера для данного узла. Ресурс службы этих втулок достаточно большой — при наличии необходимого количества правильной смазки в ступичном узле — они ходят больше 100 т. км. Естественно, при отсутствии смазки, биениях и прочих неисправностях — они умирают. Только в такой ситуации подшипник умрёт с тем же успехом. Стоимость втулки — в районе 6 у.е.
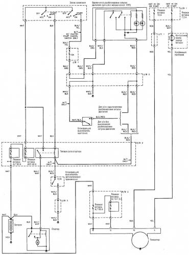
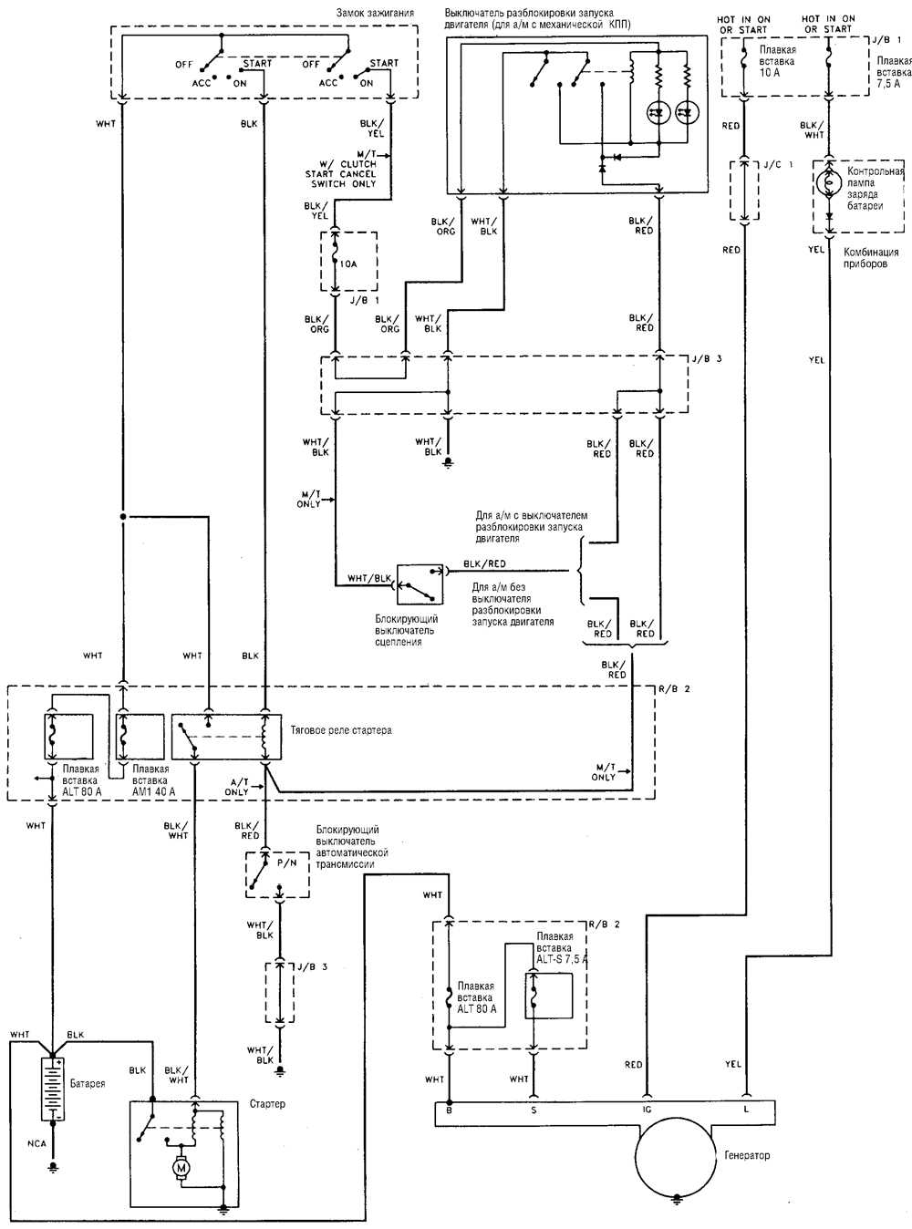
Схема заряда батареи на Toyota 4runner
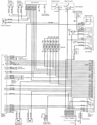
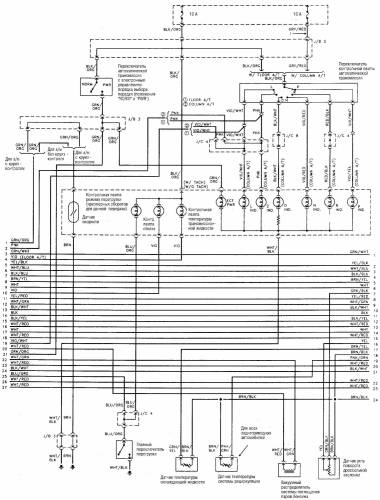
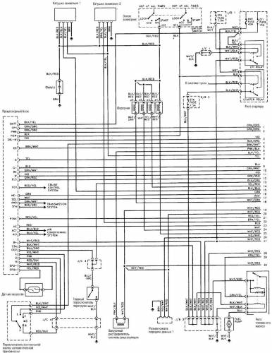
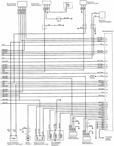
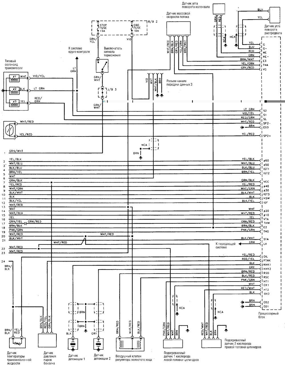
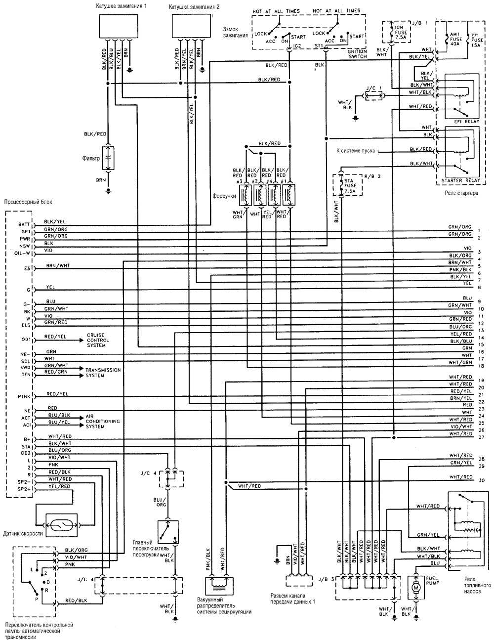
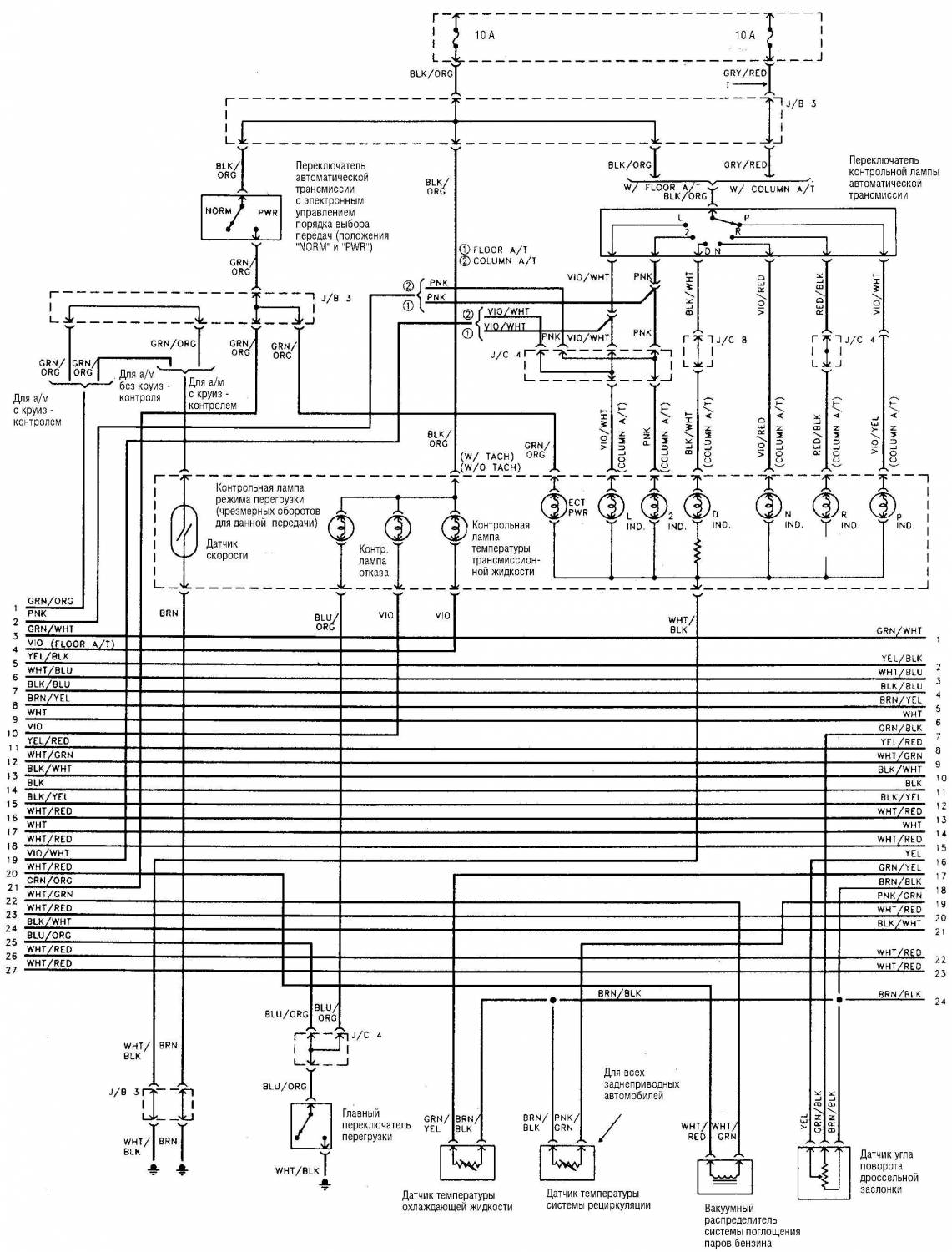
Схема системы управления двигателем и трансмиссией
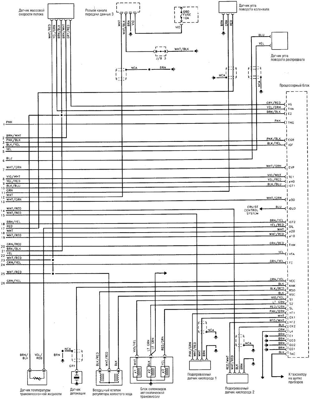
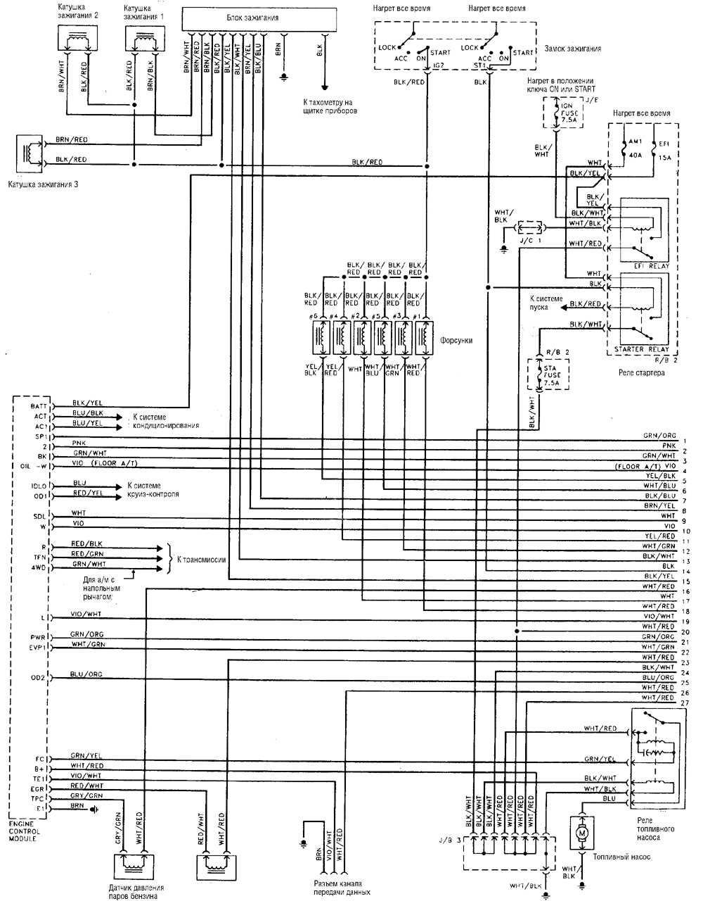
Электросхема электрооборудования 4-цилиндрового двигателя на Тойота 4 раннер
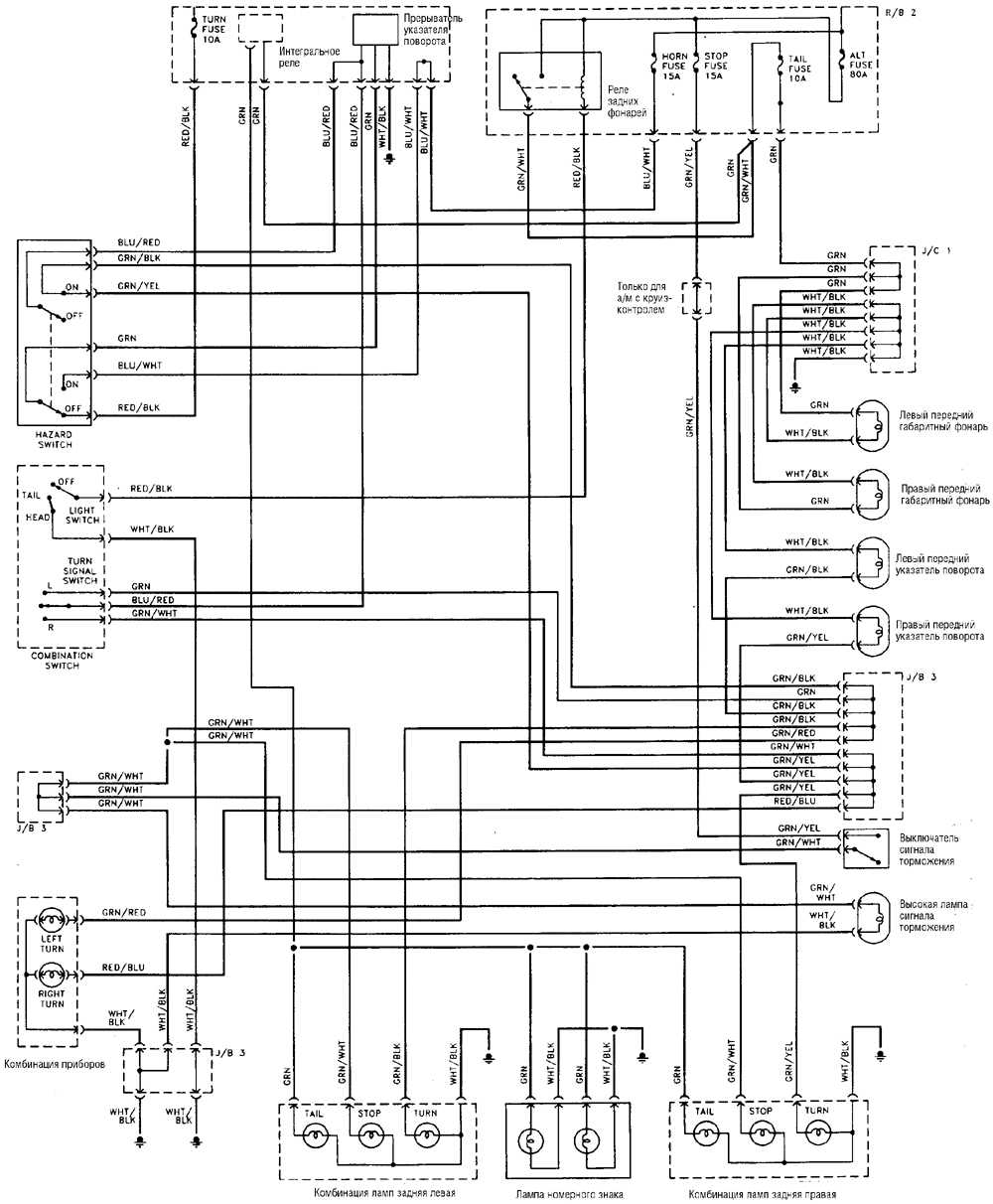
Эл.схема осветительных приборов, кроме фар
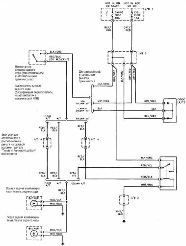
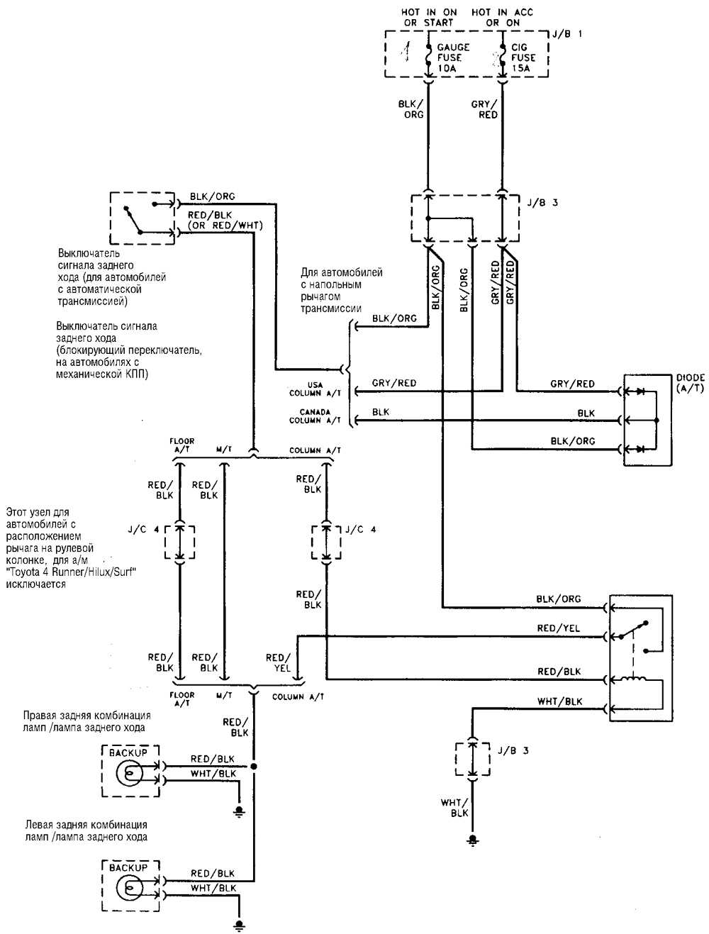
Сигнал заднего хода — схема
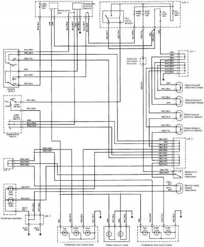
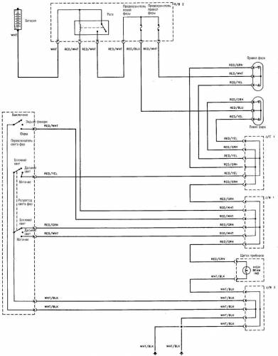
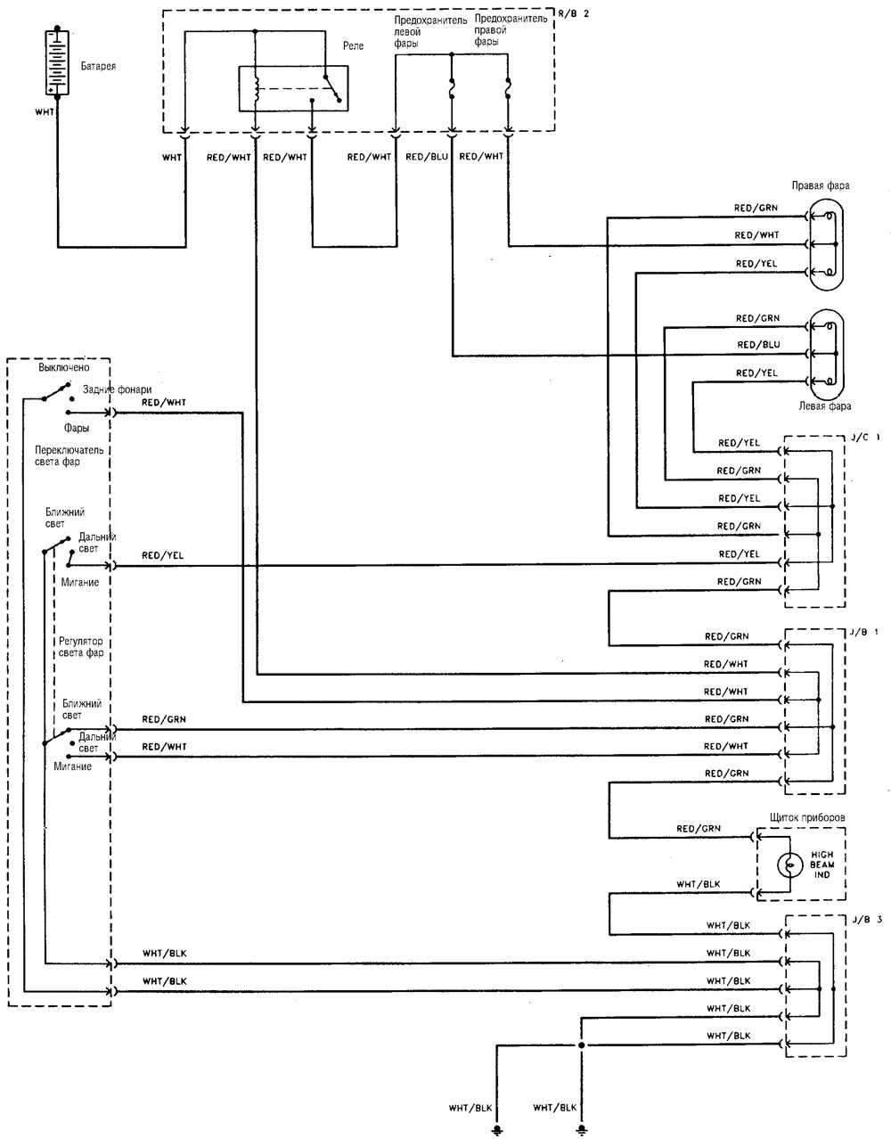
Электросхема фар на Тойота 4 раннер
Эл.схема освещения щитка приборов
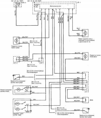
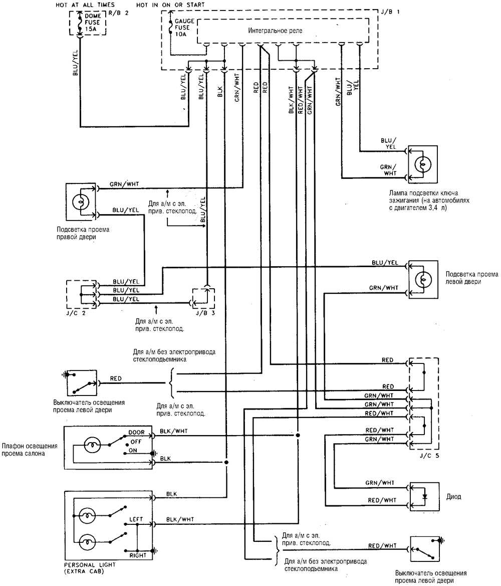
Освещение внутри салона — схема
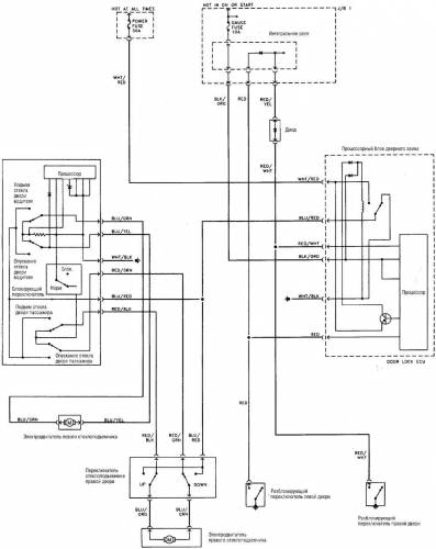
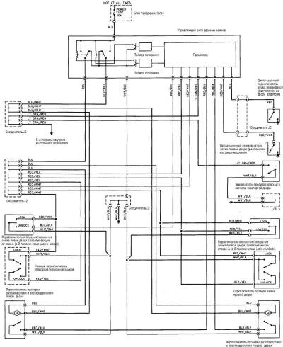
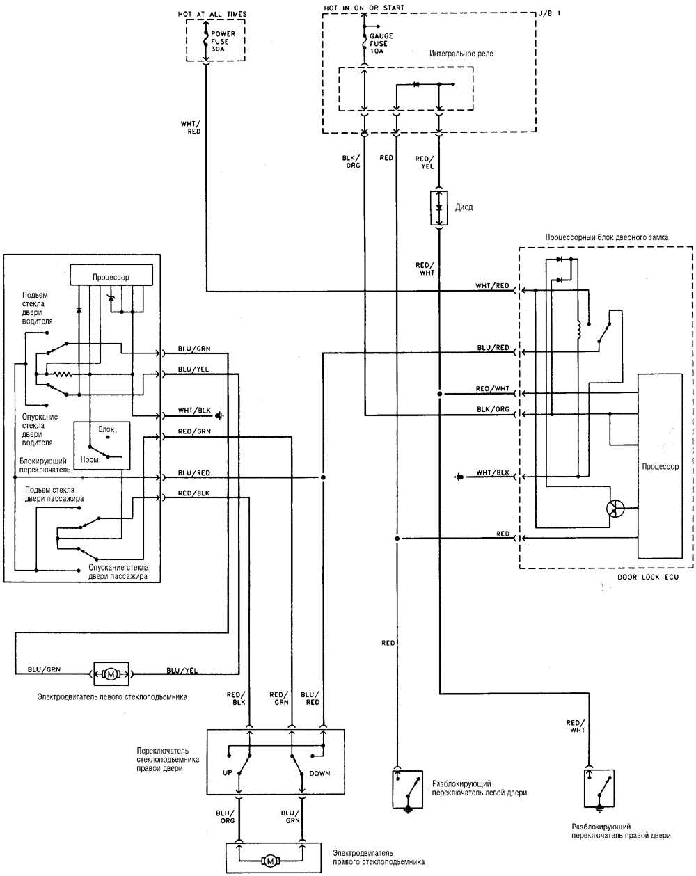
Электросхема привода стеклоподъемников и дверных замков
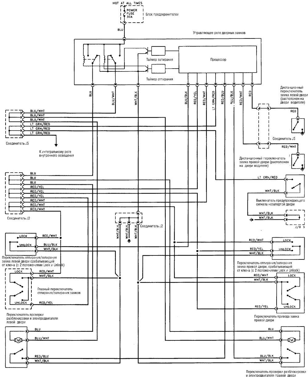
Схема электрооборудования двери
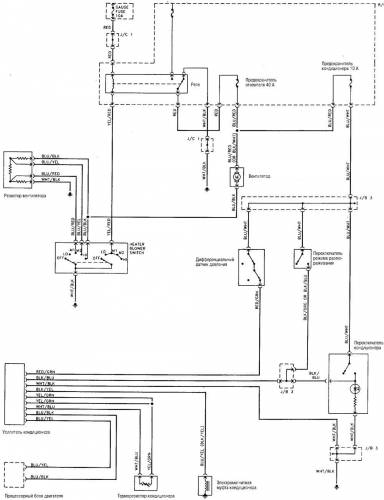
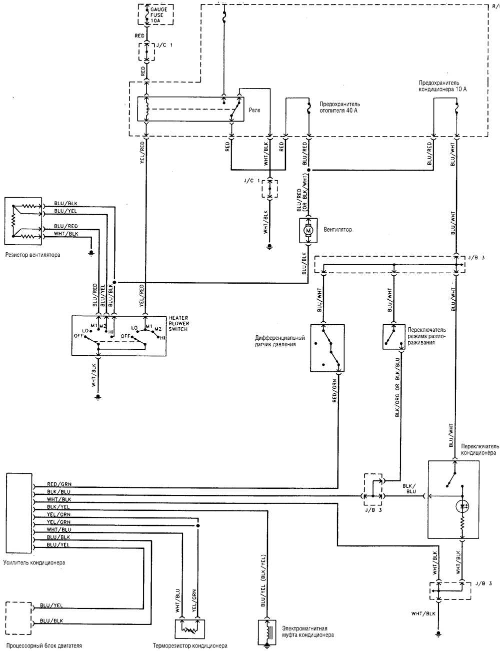
Отопитель и кондиционер — эл.схема
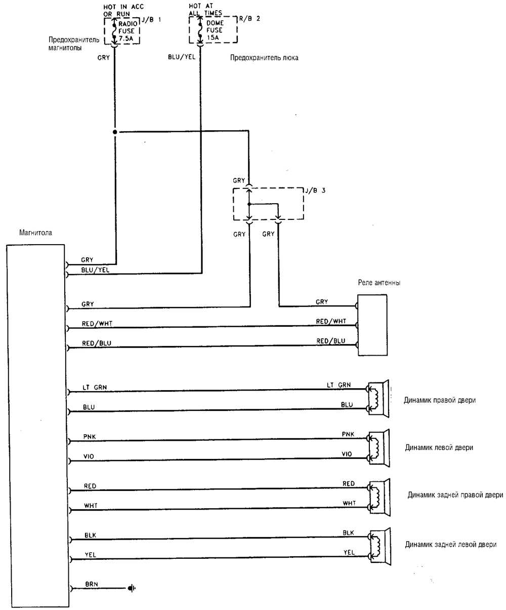
Магнитола и аудиосистема — схема
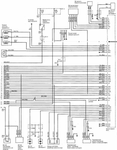
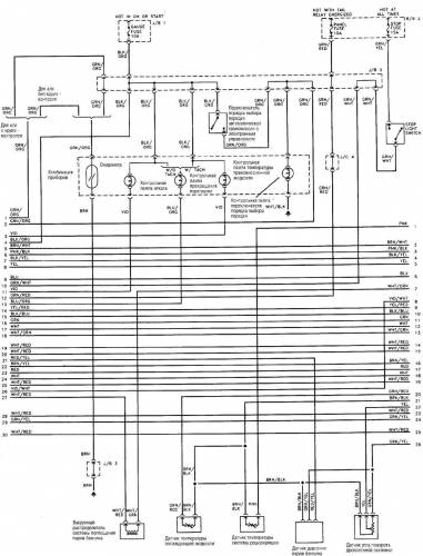
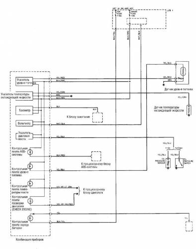
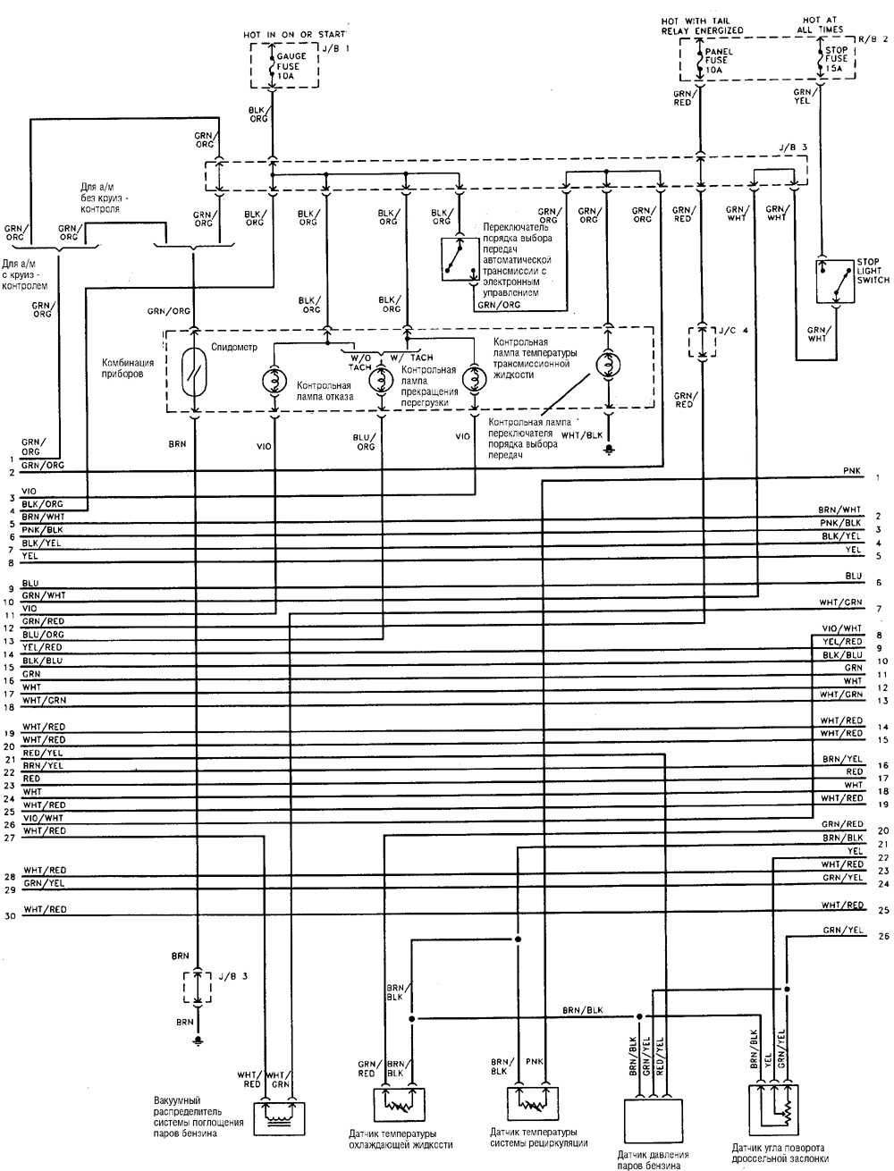
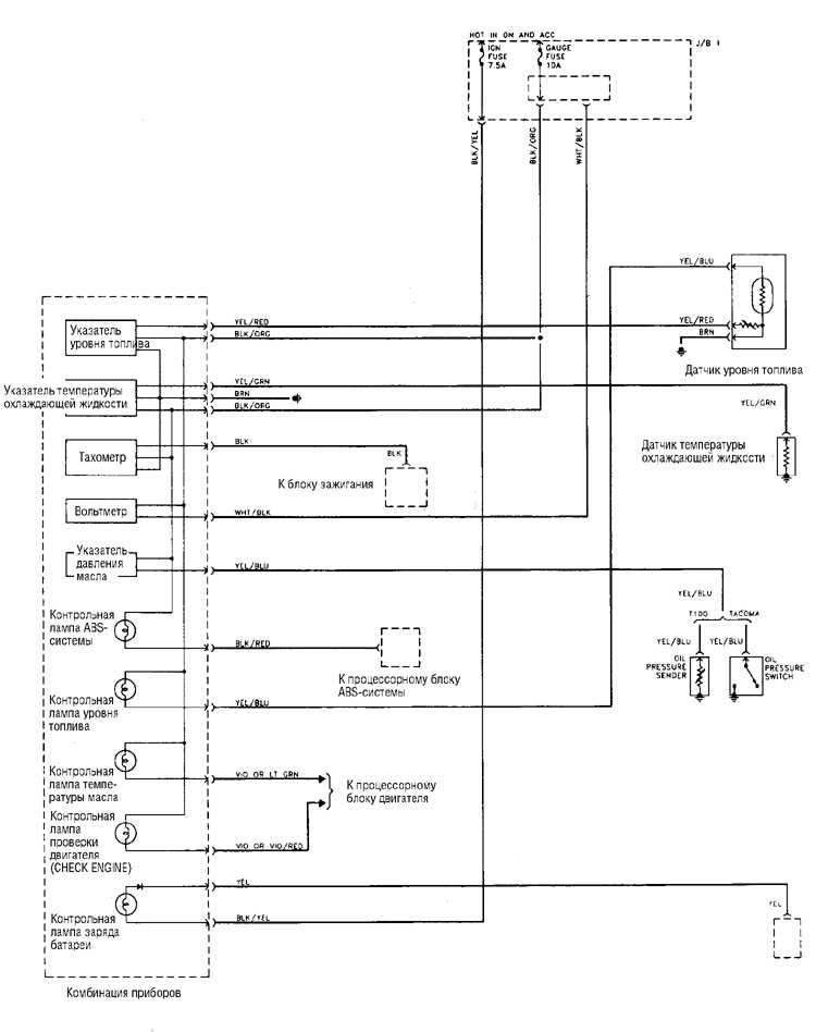
Контрольно-измерительные приборы и контрольные лампы на Toyota 4runner
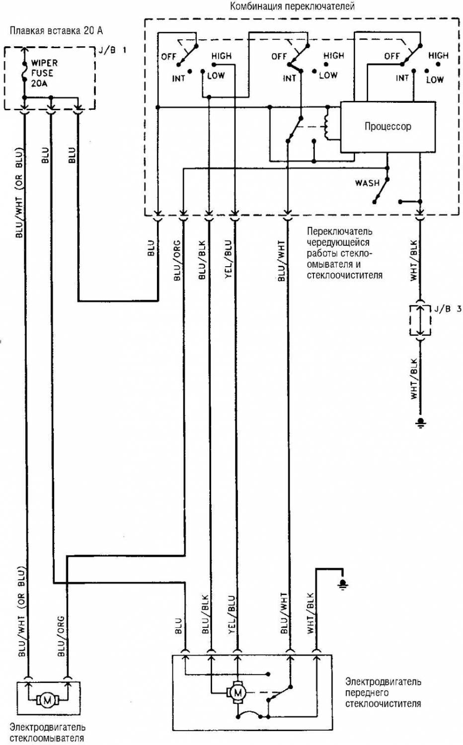
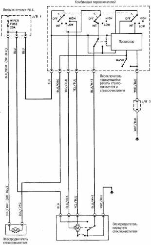
Схема стеклоочистителя


















