Здесь вы найдете все для УАЗ 3163, он же УАЗ Патриот 2005+ г.в. и младше. Такой автомобиль идеально соответствует Вашему имиджу и станет настоящей визитной карточкой и возле фешенебельных городских небоскребов, и в компании друзей на пикнике в живописных уголках нашей природы. Динамичный образ УАЗ Патриот подкреплен новейшими техническими разработками. УАЗ Патриот обладает мощным и надежным двигателем, что в комплексе с передовыми техническими разработками в трансмиссии придает ему великолепные ходовые качества и потрясающую динамику.
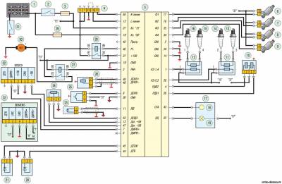
Схема системы управления двигателем мод. ЗМЗ-409
1 — аккумуляторная батарея; 2 — выключатель (замок) зажигания; 3, 29 — плавкие предохранители; 4 — диагностическая колодка; 5 — электронный блок управления двигателем; 6, 7, 8, 9 — топливные форсунки; 10 — регулятор холостого хода; 11, 12 — катушки зажигания; 13, 14, 15, 16 — свечи зажигания; 17 — комбинация приборов; 18 — тахометр; 19 — сигнальная лампа <ПРОВЕРЬТЕ ДВИГАТЕЛЬ>; 20 — датчик температуры воздуха во впускной трубе; 21 — датчик температуры охлаждающей жидкости; 22 — датчик массового расхода воздуха; 23 — датчик детонации; 24 — датчик положения дроссельной заслонки; 25 — датчик положения распределительного вала; 26 — датчик положения коленчатого вала; 27 — реле топливного насоса; 28 — главное реле системы управления двигателем; 30 — топливный насос; 31 — выключатель <массы>
Схема электрооборудования на UAZ Patriot выпуска до 2007 г.
1, 2 — блок-фары; 3, 4 — противотуманные фары; 5, 6 — звуковые сигналы; 7 — электровентилятор системы охлаждения двигателя; 8 — генератор; 9 — датчик концентрации кислорода; 10 — датчик положения распределительного вала (датчик фазы); 11 — датчик детонации; 12 — регулятор холостого хода; 13, 14, 15, 16 — свечи зажигания; 17, 18 — катушки зажигания; 19 — датчик положения коленчатого вала; 20, 21, 22, 23 — топливные форсунки; 24 — датчик положения дроссельной заслонки; 25 — датчик массового расхода воздуха; 26 — датчик сигнальной лампы аварийного падения давления масла; 27 — датчик указателя давления масла; 28, 30 — датчик температуры охлаждающей жидкости; 29 — датчик температуры воздуха; 31 — электромагнитный клапан адсорбера; 32 — датчик сигнальной лампы аварийного перегрева охлаждающей жидкости; 33, 34 — насосы омывателей ветрового стекла и стекла двери задка; 35 — колодка диагностики; 36 — электродвигатель водяного насоса; 37 — электродвигатель вентилятора отопителя; 38 — стартер; 39 — фонарь освещения подкапотного пространства; 40 — моторедуктор очистителя ветрового стекла; 41 — выключатель сигнальной лампы аварийного состояния тормозной системы; 42 — реле электровентилятора; 43 — реле включения омывателя стекла двери задка; 44 — реле стартера; 45 — реле системы управления двигателем; 46 — реле электробензонасоса; 47 — реле включения звуковых сигналов; 48, 49, 50, 51, 52, 53 — штыревые предохранители; 54 — аккумуляторная батарея; 55 — розетка для переносной лампы; 56 — левый боковой указатель поворота; 57 — правый боковой указатель поворота; 58 — контроллер системы управления двигателем; 59 — комбинация приборов; 60 — блок управления моторедукторами замков дверей; 61, 62 — плафоны освещения вещевых ящиков; 63, 64 — магнитные выключатели плафонов освещения вещевых ящиков; 65 — реле переключения режимов отопителя; 66 — монтажный блок, расположенный в салоне автомобиля; 67 — плафон подсветки монтажного блока; 68 — зеркало заднего вида правое; 69 — добавочный резистор электродвигателя вентилятора отопителя; 70, 71 — лампы подсветки блока управления отопителем; 72 — переключатель скорости работы электродвигателя вентилятора отопителя; 73 — выключатель стоп-сигналов; 74 — регулятор длительности паузы работы стеклоочистителя; 75 — выключатель (замок) зажигания; 76 — переключатель очистителя и омывателя ветрового стекла и стекла двери задка; 77 — выключатель звуковых сигналов; 78 — переключатель указателей поворота и света фар; 79 — модуль управления светотехникой; 80 — зеркало заднего вида левое; 81 — электростеклоподъемник правой передней двери; 82 — моторедуктор замка правой передней двери; 83 — прикуриватель; 84 — выключатель аварийной сигнализации; 85 — выключатель обогрева зеркал заднего вида; 86 — переключатель отопителя; 87 — переключатель режимов работы дополнительного отопителя; 88 — выключатель обогревателя стекла двери задка; 89 — моторедуктор замка левой передней двери; 90 — электростеклоподъемник левой передней двери; 91 — моторедуктор замка правой задней двери; 92 — выключатель света заднего хода; 93 — датчик скорости; 94 — электробензонасос с датчиком уровня топлива правого бака; 95 — переключатель датчиков указателя уровня топлива; 96 — переключатель стеклоподъемника правой передней двери; 97 — пульт управления наружными зеркалами; 98 — переключатель стеклоподъемника левой передней двери; 99 — дополнительный отопитель кузова; 100 — выключатель контрольной лампы включения стояночного тормоза; 101 — датчик указателя уровня топлива левого бака; 102 — моторедуктор замка левой задней двери; 103 — выключатель освещения на стойке двери задка; 104, 105 — выключатели освещения на стойках правых дверей; 106 — задний плафон освещения салона; 107 — передний плафон освещения салона; 108, 109 — плафоны направленного света; 110, 111 — выключатели освещения на стойках левых дверей; 112 — фонарь на правом заднем крыле; 113 — элемент обогревателя стекла двери задка; 114 — фонарь дополнительного стоп-сигнала; 115 — моторедуктор очистителя стекла двери задка; 116, 117 — фонари освещения номерного знака; 118 — моторедуктор замка двери задка; 119 — фонарь на заднем левом крыле
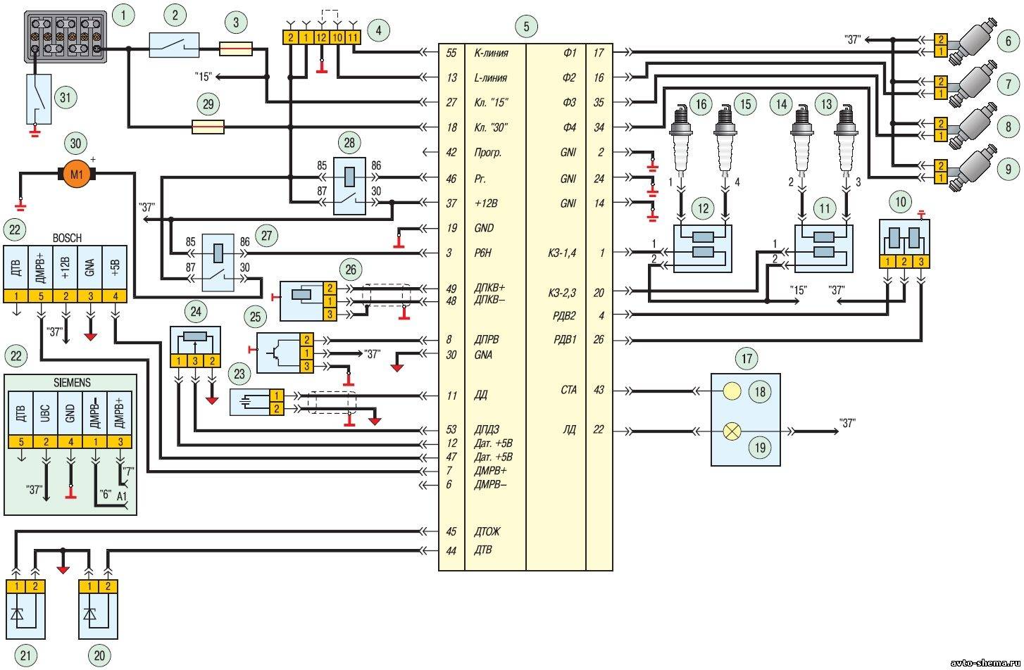
Электрооборудование автомобилей UAZ Patriot выпуска с 2007 г.
1, 8 — блок-фары; 2, 3 — противотуманные фары; 4, 5 — звуковые сигналы; 6, 7 — электровентиляторы системы охлаждения двигателя; 9 — генератор; 10 — датчик неровной дороги; 11 — датчик концентрации кислорода; 12 — датчик положения распределительного вала (датчик фазы); 13 — датчик детонации; 14 — регулятор холостого хода; 15, 16, 17, 18 — свечи зажигания; 19, 20 — катушки зажигания; 21 — датчик положения коленчатого вала; 22, 23, 24, 25 — топливные форсунки; 26 — датчик положения дроссельной заслонки; 27 — датчик массового расхода воздуха; 28 — датчик сигнальной лампы аварийного падения давления масла; 29 — датчик указателя давления масла; 30, 31 — датчик температуры охлаждающей жидкости; 32 — электромагнитный клапан адсорбера; 33 — датчик сигнальной лампы аварийного перегрева охлаждающей жидкости; 34, 35 — насосы омывателей ветрового стекла и стекла двери задка; 36 — задний левый датчик скорости; 37 — задний правый датчик скорости; 38 — передний правый датчик скорости; 39 — передний левый датчик скорости; 40 — блок управления антиблокировочной системой тормозов; 41 — аккумуляторная батарея; 42 — контроллер системы управления двигателем; 43 — колодка диагностики; 44 — электродвигатель водяного насоса; 45 — электродвигатель вентилятора отопителя; 46 — моторедуктор очистителя ветрового стекла; 47 — стартер; 48 — выключатель сигнальной лампы аварийного состояния тормозной системы; 49 — реле включения омывателя стекла двери задка; 50 — реле стартера; 51 — реле системы управления двигателем; 52 — реле электробензонасоса; 53 — реле включения звуковых сигналов; 54, 55 — реле включения электровентилятора; 56, 57, 58, 59, 60, 61, 62, 63, 64, 65 — штыревые предохранители; 66 — розетка для переносной лампы; 67 — левый боковой указатель поворота; 68 — правый боковой указатель поворота; 69 — иммобилизатор; 70 — комбинация приборов; 71 — блок управления моторедукторами замков дверей; 72, 73 — плафоны освещения вещевых ящиков; 74, 75 — магнитные выключатели плафонов освещения вещевых ящиков; 76 — монтажный блок, расположенный в салоне автомобиля; 77 — плафон подсветки монтажного блока; 78 — правое зеркало заднего вида; 79 — добавочный резистор электродвигателя вентилятора отопителя; 80, 81 — лампы подсветки блока управления отопителем; 82 — переключатель скорости работы электродвигателя вентилятора отопителя; 83 — колодка диагностики; 84 — выключатель стоп-сигналов; 85 — регулятор длительности паузы работы стеклоочистителя; 86 — выключатель (замок) зажигания; 87 — переключатель очистителя и омывателя ветрового стекла и стекла двери задка; 88 — выключатель звуковых сигналов; 89 — переключатель указателей поворота и света фар; 90 — модуль управления светотехникой; 91 — зеркало заднего вида левое; 92 — электростеклоподъемник правой передней двери; 93 — моторедуктор замка правой передней двери; 94 — переключатель датчиков указателя уровня топлива; 95 — переключатель режимов работы дополнительного отопителя; 96 — дополнительный отопитель салона; 97 — датчик ускорения; 98 — выключатель контрольной лампы включения стояночного тормоза; 99 — прикуриватель; 100 — выключатель аварийной сигнализации; 101 — выключатель обогрева стекла двери задка и зеркал заднего вида; 102 — моторедуктор замка левой передней двери; 103 — электростеклоподъемник левой передней двери; 104 — моторедуктор замка правой задней двери; 105 — выключатель света заднего хода; 106 — выключатель контрольной лампы режима работы трансмиссии; 107 — датчик скорости; 108 — электробензонасос с датчиком уровня топлива правого бака; 109 — переключатель стеклоподъемника правой передней двери; 110 — пульт управления наружными зеркалами заднего вида; 111 — переключатель стеклоподъемника левой передней двери; 112 — датчик указателя уровня топлива левого бака; 113 — моторедуктор замка левой задней двери; 114 — выключатель освещения на стойке двери задка; 115, 116 — выключатели освещения на стойках правых дверей; 117 — задний плафон освещения салона; 118 — передний плафон освещения салона; 119, 120 — плафоны направленного света; 121, 122 — выключатели освещения на стойках левых дверей; 123 — фонарь на правом заднем крыле; 124 — элемент обогревателя стекла двери задка; 125 — фонарь дополнительного стоп-сигнала; 126 — моторедуктор очистителя стекла двери задка; 127, 128 — фонари освещения номерного знака; 129 — моторедуктор замка двери задка; 130 — фонарь на левом заднем крыле
Схема монтажного блока




