В данной статье речь пойдет о Ford Escort, 1980-1990 года. Особенность системы охлаждения. Система охлаждения закрытого типа, работающая под давлением и состоящая из насоса, термостата, радиатора, расширительного бачка и электровентилятора, управляемого термодатчиком. На автомобилях с рабочим объемом двигателя 1,1 дм3 – полугерметичная система с бачком переполнения. Для двигателей CVH использовать только розовый концентрат Ford, по спецификации SSM-97B-9103-A. Этот концентрат предназначен специально для алюминиевых головок блока цилиндров двигателя. При применении другой охлаждающей жидкости должны соблюдаться технические условия Ford.
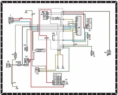
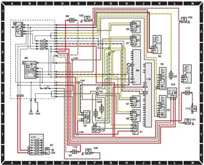
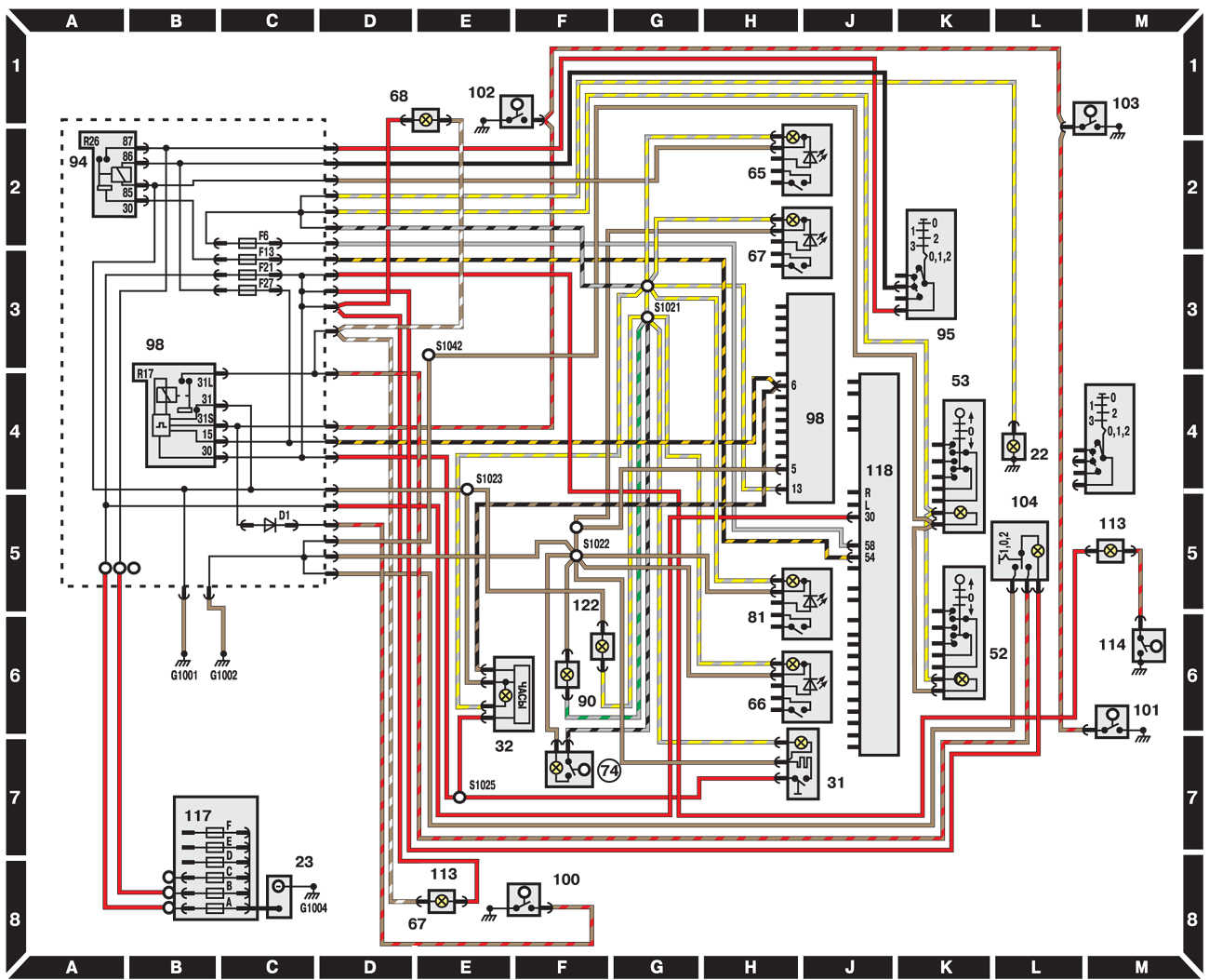
Схема системы пуска, аккумуляторной батареи, вентилятора и датчика
7 – генератор;
23 – аккумуляторная батарея;
30 – датчик полного закрытия дроссельной заслонки;
35 – вентилятор охлаждения двигателя;
36 – датчик температуры охлаждающей жидкости;
69 – датчик уровня топлива;
75 – выключатель контрольной лампы сигнального устройства низкого уровня тормозной жидкости и включения стояночного тормоза (на рычаге
стояночного тормоза); 94 – реле зажигания;
95 – замок зажигания;
98 – комбинация приборов;
109 – перемычка;
112 – датчик низкого уровня тормозной жидкости;
117 – блок предохранителей в моторном отсеке;
120 – датчик давления масла;
131 – стартер
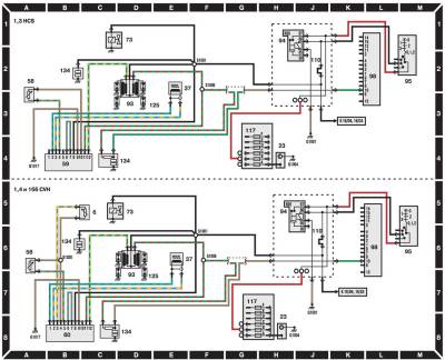
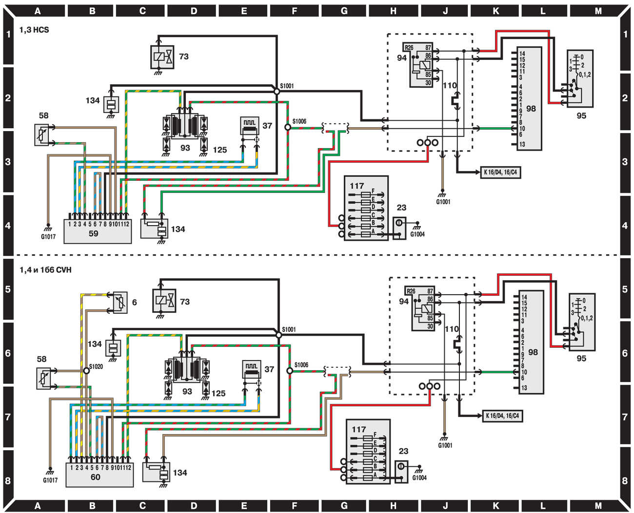
Эл.схема системы зажигания
6 – датчик температуры воздуха во впускном коллекторе;
23 – аккумуляторная батарея;
37 – датчик угла поворота коленчатого вала;
58 – датчик температуры охлаждающей
жидкости двигателя;
59 – ЭБУ зажиганием ESC;
0 – ЭБУ зажиганием ESCP;
73 – электромагнитный клапан отключения
подачи топлива; 93 – катушка зажигания;
94 – реле зажигания;
95 – замок зажигания;
96 – выключатель;
98 – комбинация приборов;
110 – перемычка;
117 – блок предохранителей в моторном отсеке;
125 – свеча зажигания;
134 – конденсатор
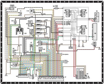
Система управления двигателем на Ford Escort
6 – датчик температуры воздуха во впускном коллекторе;
23 – аккумуляторная батарея;
24 – электромагнитный клапан;
37 – датчик угла поворота коленчатого вала;
46 – ЭБУ зажиганием EDIS;
47 – ЭБУ впрыском топлива EEC IV;
48 – реле питания систем впрыска и зажигания CFI;
58 – датчик температуры охлаждающей жидкости;
70 – топливные форсунки;
72 – реле топливного насоса; 92 – электромагнитный клапан системы холостого хода;
93 – катушка зажигания;
94 – реле питания системы зажигания;
95 – замок зажигания;
96 – выключатель;
98 – комбинация приборов;
105 – датчик кислорода;
117 – блок предохранителей в моторном отсеке;
125 – свеча зажигания;
130 – датчик скорости автомобиля;
134 – конденсатор;
138 – датчик положения дроссельной заслонки
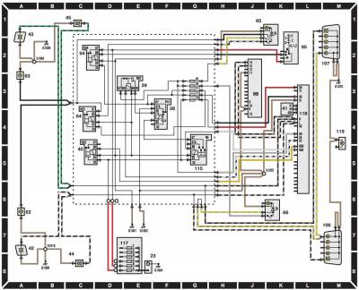
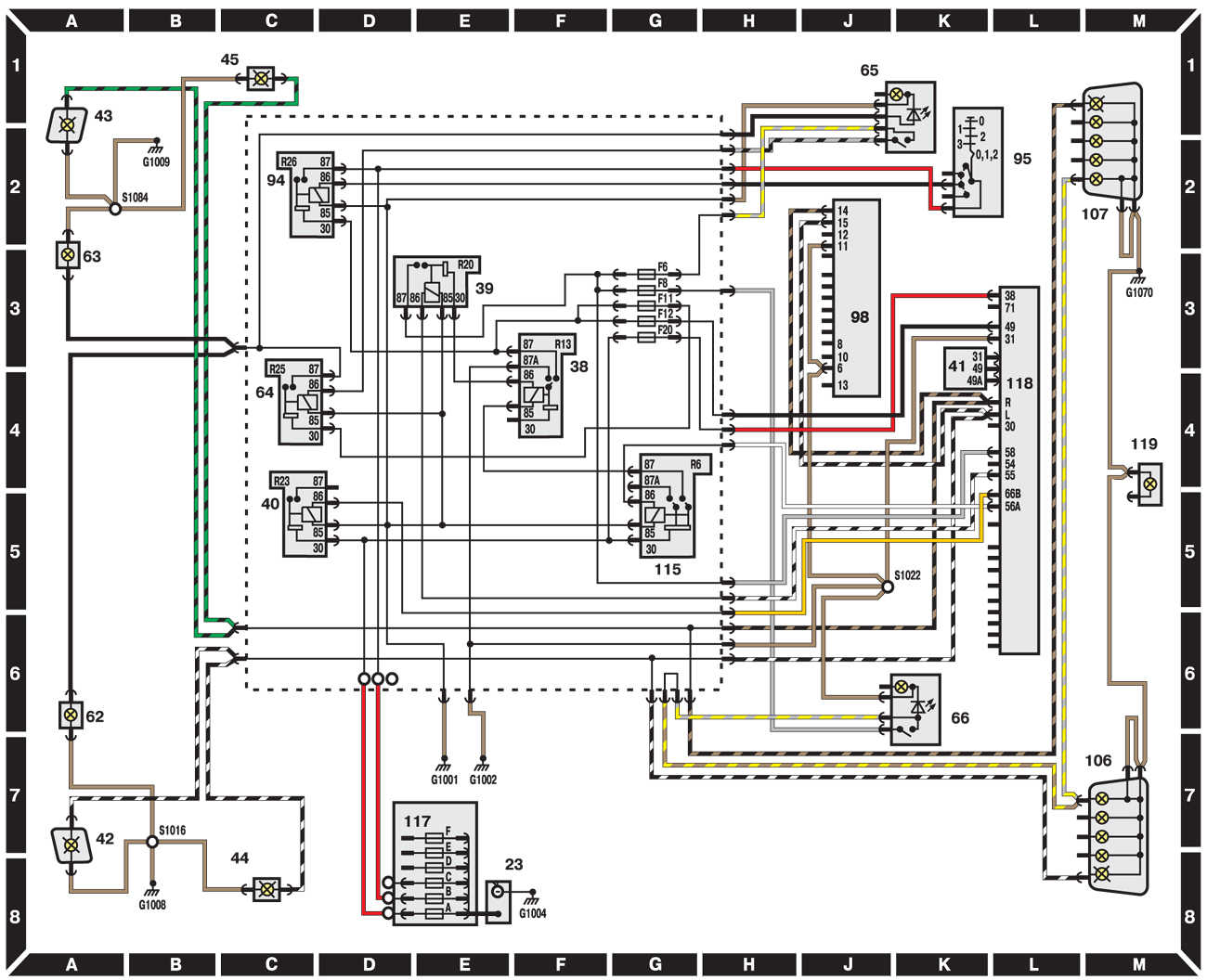
Схема внешнего освещения, лампы габаритного света, торможения и заднего хода
20 – селектор выбора передач АКП;
23 – аккумуляторная батарея;
38, 39, 40 – реле;
76 – левая фара головного освещения;
77 – правая фара головного освещения;
94 – реле зажигания;
95 – замок зажигания;
98 – комбинация приборов;
106 – левый задний фонарь; 107 – правый задний фонарь;
115 – реле дальнего света фар;
117 – блок предохранителей в моторном отсеке;
118 – переключатель освещения;
119 – фонарь подсветки номерного знака;
124 – выключатель света заднего хода;
132 – выключатель сигнала торможения
Внешнее освещение, указатели поворота, противотуманный свет-схема
23 – аккумуляторная батарея;
38, 39, 40 – реле;
41 – реле указателей поворота;
42 – левый передний указатель
поворота;
43 – правый передний указатель
поворота;
44 – повторитель левого указателя поворота;
45 – повторитель правого указателя поворота;
62 – левая противотуманная фара;
63 – правая противотуманная фара;
64 – реле противотуманного света фар; 65 – выключатель противотуманного света фар;
66 – выключатель противотуманного света задних фонарей;
94 – реле зажигания;
95 – замок зажигания;
98 – комбинация приборов;
106 – левый задний фонарь;
107 – правый задний фонарь;
115 – реле дальнего света фар;
117 – блок предохранителей в моторном отсеке;
118 – переключатель освещения;
119 – фонарь освещения номерного знака
Схема системы освещения салона на Форд Эскорт
22 – лампа подсветки переключателя освещения;
23 – аккумуляторная батарея;
31 – лампа подсветки прикуривателя;
32 – часы;
52 – выключатель стеклоподъемника
левой передней двери;
53 – выключатель стеклоподъемника
правой передней двери;
65 – выключатель противотуманного
света фар;
66 – выключатель противотуманного
света задних фонарей;
67 – лампа плафона освещения салона
на левой стойке;
68 – лампа плафона освещения салона
на правой стойке;
74 – лампа освещения вещевого ящика;
81 – выключатель обогревателя заднего стекла;
87 – выключатель обогревателя
ветрового стекла; 90 – выключатель вентилятора
отопителя салона;
94 – реле зажигания;
95 – замок зажигания;
98 – комбинация приборов;
99 – реле системы освещения салона;
100 – выключатель освещения салона
на левой передней двери;
101 – выключатель освещения салона
на левой задней двери;
102 – выключатель освещения салона
на правой передней двери;
103 – выключатель освещения салона
на правой задней двери;
104 – выключатель освещения салона;
113 – лампа освещения багажника;
114 – выключатель освещения
багажника;
118 – переключатель освещения;
122 – лампа подсветки
радиоприемника
Эл.схема звукового сигнала, обогревателя стекол, электропривода зеркал
7 – генератор;
23 – аккумуляторная батарея;
49 – переключатель управления приводом
зеркал заднего вида;
50 – электропривод левого зеркала заднего вида;
51 – электропивод правого зеркала заднего вида;
57 – реле;
79 – обогреватель заднего стекла;
80 – реле обогревателя заднего стекла;
81 – выключатель обогревателя заднего
стекла;
82 – обогреватель левого сопла омывателя ветрового стекла; 83 – обогреватель правого сопла омывателя ветрового стекла;
84 – обогреватель ветрового стекла;
85, 86 – реле обогревателя ветрового стекла;
87 – выключатель обогревателя ветрового стекла;
88 – вентилятор отопителя салона;
89 – выключатель вентилятора отопителя салона;
91 – звуковой сигнал;
94 – реле зажигания;
95 – замок зажигания;
117 – блок предохранителей в моторном отсеке;
118 – переключатель освещения
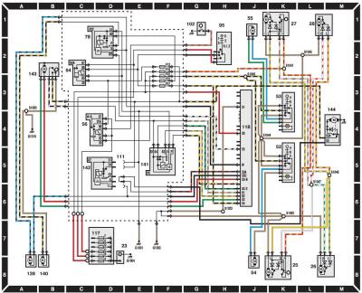
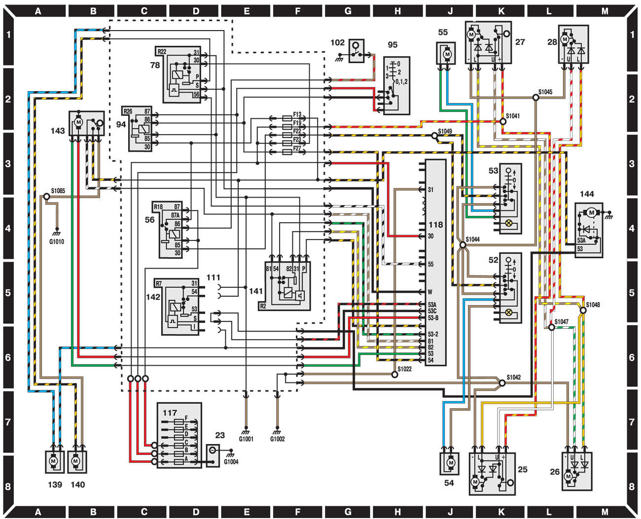
Центральный замок, стеклоподъемники, омыватели стекол и фар-эл.схема
23 – аккумуляторная батарея;
25 – электродвигатель замка левой
передней двери;
26 – электродвигатель замка левой
задней двери;
27 – электродвигатель замка правой
передней двери;
28 – электродвигатель замка правой
задней двери;
52 – выключатель стеклоподъемника
левой передней двери;
53 – выключатель стеклоподъемника
правой передней двери;
54 – электродвигатель стеклоподъемника левой передней двери;
55 – электродвигатель стеклоподъемника правой передней двери;
56 – реле электрических
стеклоподъемников; 78 – реле омывателя фар головного освещения;
94 – реле зажигания;
95 – замок зажигания;
102 – выключатель освещения салона на правой передней двери;
111 – перемычка;
117 – блок предохранителей в моторном отсеке;
118 – переключатель освещения;
139 – насос омывателя ветрового стекла;
140 – насос омывателя фар головного освещения;
141 – реле очистителя ветрового стекла;
142 – реле очистителя заднего стекла;
143 – электродвигатель очистителя ветрового стекла;
144 – электродвигатель очистителя заднего стекла
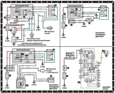
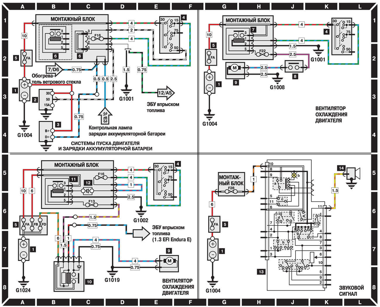
Схема системы пуска, аккумуляторной батареи, вентилятора, звукового сигнала
1 – аккумуляторная батарея;
2 – стартер;
3 – генератор;
4 – замок зажигания;
5 – дополнительный монтажный блок;
6 – перемычка или реле выключения стартера (модели с АКП);
7 – реле зажигания;
8 – датчик температуры включения вентилятора охлаждения двигателя; 9 – вентилятор охлаждения двигателя;
10 – реле вентилятора охлаждения двигателя;
11 – реле;
12 – диод;
13 – многофункциональный переключатель, выключатель звукового сигнала;
14 – звуковой сигнал
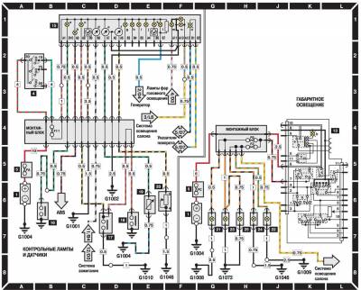
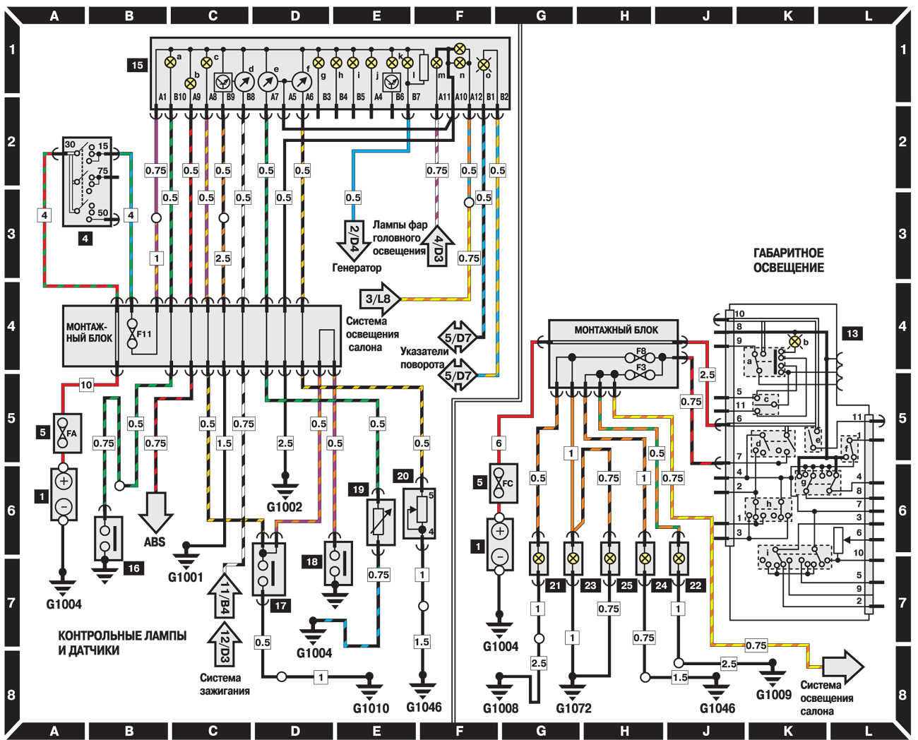
Эл.схема контрольной лампы и датчика, габаритного освещения
1 – аккумуляторная батарея;
4 – замок зажигания;
5 – дополнительный монтажный блок;
13 – многофункциональный переключатель;
15 – комбинация приборов;
а – контрольная лампа аварийного
давления масла;
b – контрольная лампа ABS;
с – контрольная лампа включения
аварийной световой сигнализации;
d – тахометр;
е – указатель температуры охлаждающей жидкости;
f – указатель уровня топлива;
g – контрольная лампа незакрытой двери;
i – контрольная лампа неисправности каталитического нейтрализатора ОГ;
j– контрольная лампа закрытия воздушной заслонки;
k – контрольная лампа подушки
безопасности;
l – контрольная лампа зарядки
аккумуляторной батареи; m – контрольная лампа включения дальнего света фар;
n – лампа подсветки комбинации приборов;
о – контрольная лампа включения указателей поворота;
16 – датчик аварийного давления масла;
17 – датчик низкого уровня тормозной жидкости;
18 – датчик включения стояночного тормоза;
19 – датчик температуры охлаждающей жидкости;
20 – датчик уровня топлива;
21 – лампа габаритного света левой фары;
22 – лампа габаритного света правой фары;
23 – лампа габаритного света левого заднего фонаря;
24 – лампа габаритного света правого заднего фонаря;
25 – лампа подсветки номерного знака










