Модная в своё время модель Ford Sierra 1982-1993 года и эл.схемы её оборудывания. В автомобилях с механической коробкой передач используется однодисковое сухое сцепление, управляемое механически при помощи троса. Ведущая часть сцепления имеет центральную дисковую пружину. Диск сцепления имеет гаситель крутильных колебаний с винтовыми пружинами. Выжимной подшипник – шариковый. Регулировка свободного хода автоматическая и происходит при помощи храпового механизма, расположенного около педали сцепления.
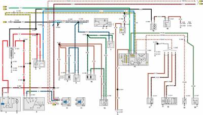
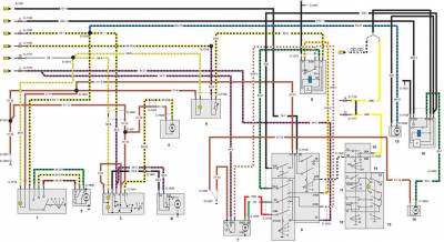
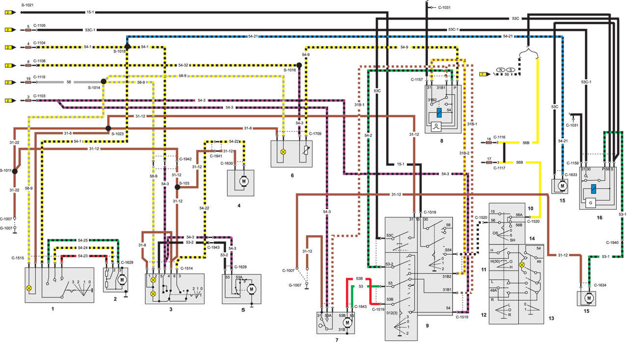
Эл.схема контура зарядки и стартера на Форд Сиерра
1 – провод с главным предохранителем,
2 – аккумулятор,
3 – стартер,
4 – генератор с электронным регулятором,
5 – выключатель зажигания,
6 – пусковой выключатель
автоматической коробки передач,
7 – выключатель kick-down
автоматической коробки передач,
8 – датчик блокировки стартера автоматической коробки передач,
9 – вакуумный переключатель,
10 – управление kick-down
автоматической коробки передач, 11 – реле автоматической коробки
передач,
12 – временной элемент kick-down автоматической коробки передач,
13 – контрольная лампочка,
14 – комбинация приборов,
15 – двигатель вентилятора радиатора,
16 – выключатель вентилятора радиатора,
17 – датчик уровня охлаждающей жидкости,
18 – датчик уровня топлива,
19 – датчик температуры охлаждающей жидкости,
20 – датчик давления масла
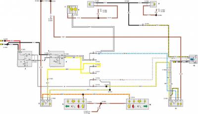
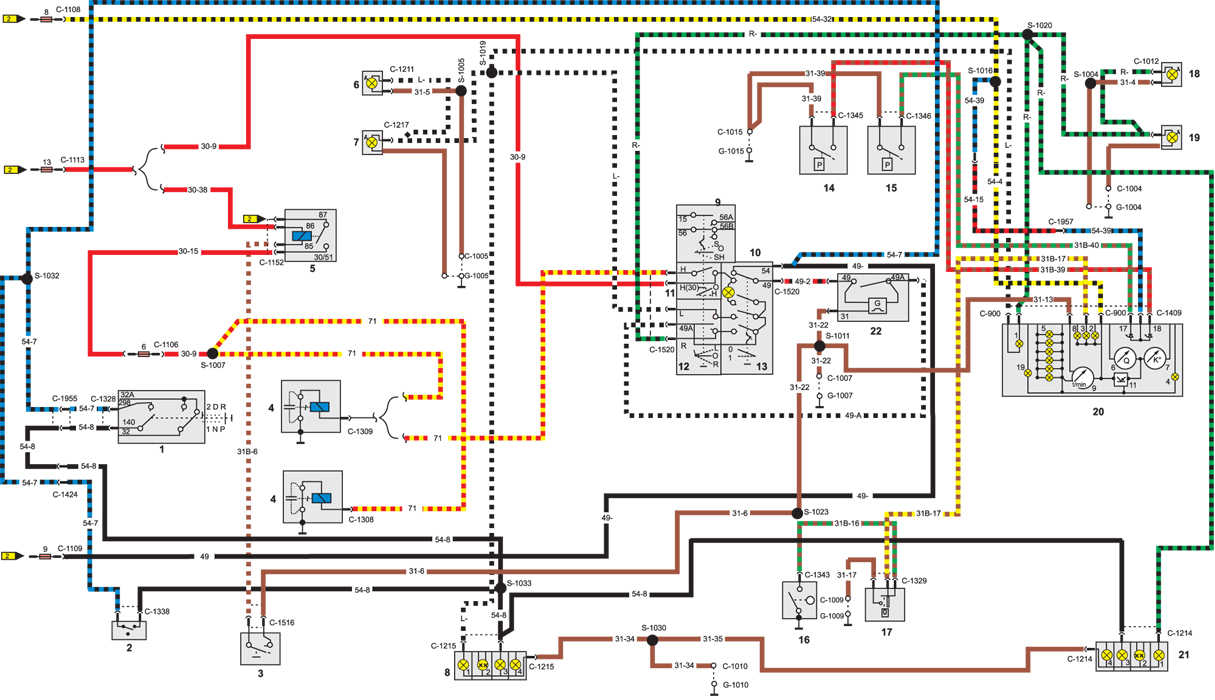
Схема электрического контура наружного освещения на Ford Sierra
1 – комбинация приборов,
3 – управление наружным освещением,
5 – фрагмент переключателя наружного
освещения и стеклоочистителя ветрового
стекла,
6 – датчик фонарей торможения, 7 – фрагмент
многофункционального
переключателя,
12 – задний левый фонарь,
13 – задний правый фонарь,
14 – реле фар дальнего света
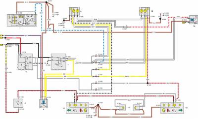
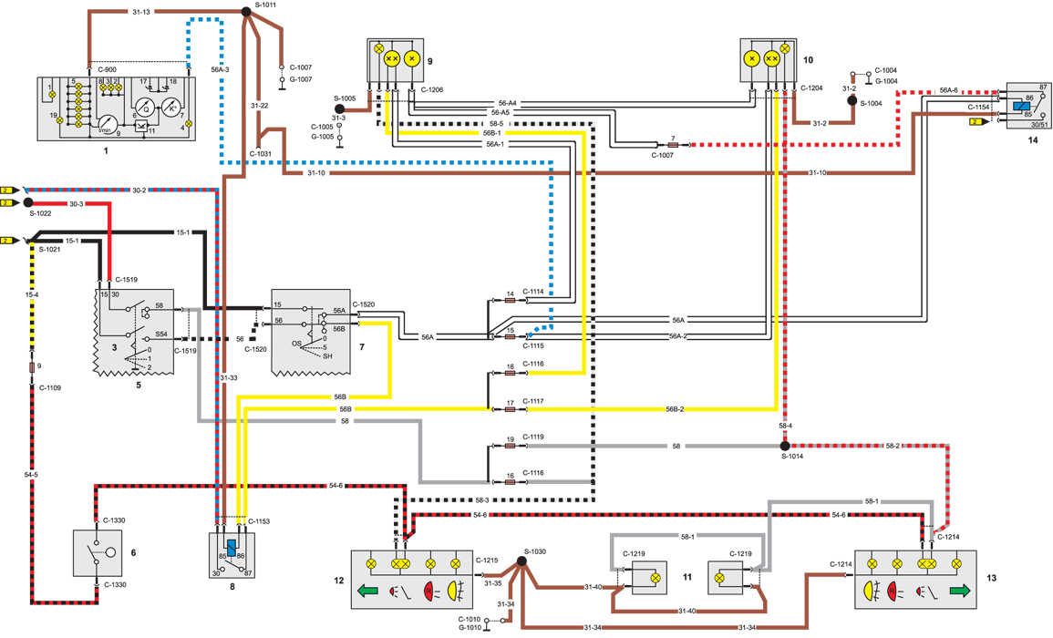
Схема контура противотуманных фар
1 – управление наружного освещения,
2 – фрагмент переключателя наружного освещения и стеклоочистителя
ветрового стекла,
3 – переключатель фар дальнего и
ближнего света,
4 – фрагмент многофункционального переключателя,
5 – выключатель задних
противотуманных фар, 6 – задний левый фонарь,
7 – левая главная фара,
8 – левая противотуманная
фара,
9 – правая противотуманная
фара,
10 – задний правый фонарь,
11 – выключатель передних противотуманных фар,
12 – реле противотуманных фар
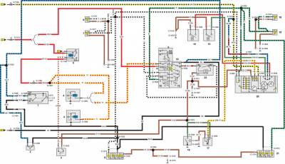
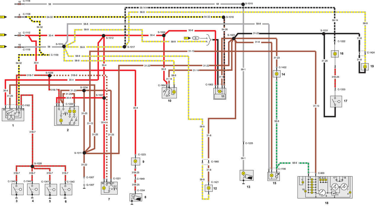
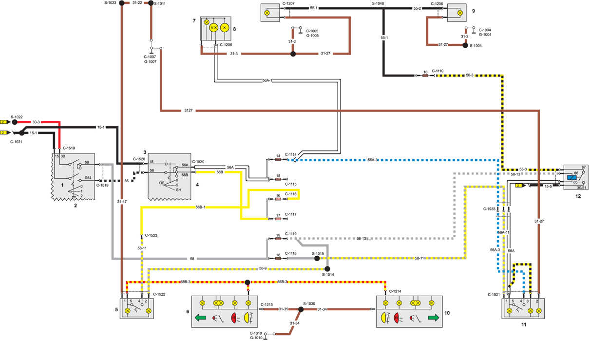
Схема контура комбинации приборов на Форд Сиерра
1 – пусковой выключатель
автоматической коробки передач,
2 – выключатель фонарей заднего хода,
3 – выключатель звуковых сигналов,
4 – звуковые сигналы,
5 – реле звуковых сигналов,
6 – передний левый указатель поворота,
7 – боковой левый указатель поворота,
8 – задний левый фонарь,
9 – переключатель фар дальнего и
ближнего света,
10 – многофункциональный переключатель,
12 – кнопка звукового сигнала, 13 – выключатель аварийных огней,
14 – выкуумный выключатель желтой контрольной лампочки расхода топлива,
15 – вакуумный выключатель красной контрольной лампочки расхода топлива,
16 – датчик затягивания рычага ручного тормоза,
17 – датчиу уровня тормозной жидкости,
18 – передний правый указатель поворота,
19 – боковой правый указатель поворота,
20 – комбинация приборов,
21 – задний правый фонарь,
22 – реле указателей поворотов
Схема электрического контура освещения салона на Ford Sierra
1 – временной элемент задержки
выключения лампы освещения салона,
2 – лампа освещения салона,
3 – датчик открытия передней левой двери,
4 – датчик открытия задней левой двери,
5 – датчик открытия передней правой двери,
6 – датчик открытия задней правой двери,
7 – задняя лампа освещения салона,
8 – выключатель лампы освещения
багажникка,
9 – лампа освещения багажника,
10 – прикуриватель, 11 – освещение часов,
12 – освещение пепельницы,
13 – освещение моторного отсека,
14 – освещение переключателя вентиляции,
15 – освещение комбинации приборов с регулировкой интенсивности,
16 – освещение вещевого ящика,
17 – выключатель освещения вещевого ящика,
18 – комбинация приборов,
19 – освещение выключателя
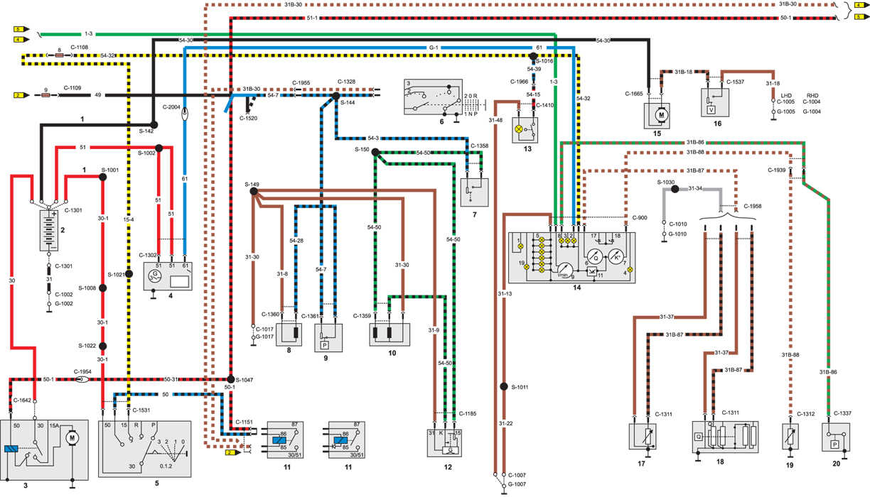
Эл.схема контура обогрева, вентиляции, стеклоочистителей
1 – переключатель управления вентиляции,
2 – двигатель вентилятора,
3 – выключатель стеклоочистителя и
омывателя заднего стекла,
4 – двигатель омывателя заднего и
ветрового стекол,
5 – двигатель стеклоочистителя заднего
стекла,
6 – программатор прерывистой работы стеклоочистителя,
7 – двигатель стеклоочистителя ветрового стекла,
8 – реле прерывистой работы
стеклоочистителя, 9 – переключатель наружного
освещения и стеклоочистителя ветрового стекла,
10 – переключатель фар ближнего и дальнего света,
11 – кнопка звукового сигнала,
12 – переключатель указателей поворотов,
13 – выключатель аварийных огней,
14 – многофункциональный переключатель,
15 – двигатели стеклоочистителей
фар,
16 – реле стеклоочистителей фар
Контур центральной блокировки дверей-схема
1 – блокирование передней левой двери,
2 – блокирование задней левой двери,
3 – блокирование задней двери кузова (либо крышки багажника), 4 – реле блокирования дверей,
5 – блокирование передней правой двери,
6 – блокирование задней правой двери
Схема электрического контура управления стеклами боковых дверей на Форд Сиерра
1 – выключатель управления стеклом
задней левой двери,
2 – двигатель управления стеклом
задней левой двери,
3 – двигатель управления стеклом
передней левой двери,
4 – выключатели управления
стеклами боковых дверей, 5 – двигатель управления
стеклом передней правой двери,
6 – выключатель управления
стеклом задней правой двери,
7 – двигатель управления
стеклом задней правой двери








