В данной статье предоставлены электрические схемы для Ford Mondeo 1993-2000 г.в. Тормозная система с двухконтурным гидравлическим приводом — система с диагонально разделенным гидравлическим приводом. Соответственно отдельный тормозной контур устанавливается для переднего колеса и противолежащего по диагонали заднего колеса. Главный тормозной цилиндр преобразует механическое усилие нажатия на педаль тормоза в гидравлическое усилие. Отвечает за быстрое понижение давления в системе после отпускания педали. Усилитель тормозов расположен слева в моторном отсеке позади главного тормозного цилиндра, соединен с выпускным коллектором с помощью трубопровода. При торможении эластичная мембрана реагирует на разность значений давления наружного воздухам и в выпускном коллекторе. В результате этого мембрана дополнительно давит на поршень главного тормозного цилиндра.
Условные обозначения к электрическим схемам на Форд Мондео
A7 — блок управления АБС
A11 — радиоприемник
A30 — панель приборов
A30 (15) — тахометр
A30 (7) — контрольная лампа указателя левого поворота
A30 (8) — контрольная лампа указателя правого поворота
A30 (9) — контрольная лампа дальнего света
A30 (44) — задние противотуманные фары
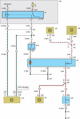
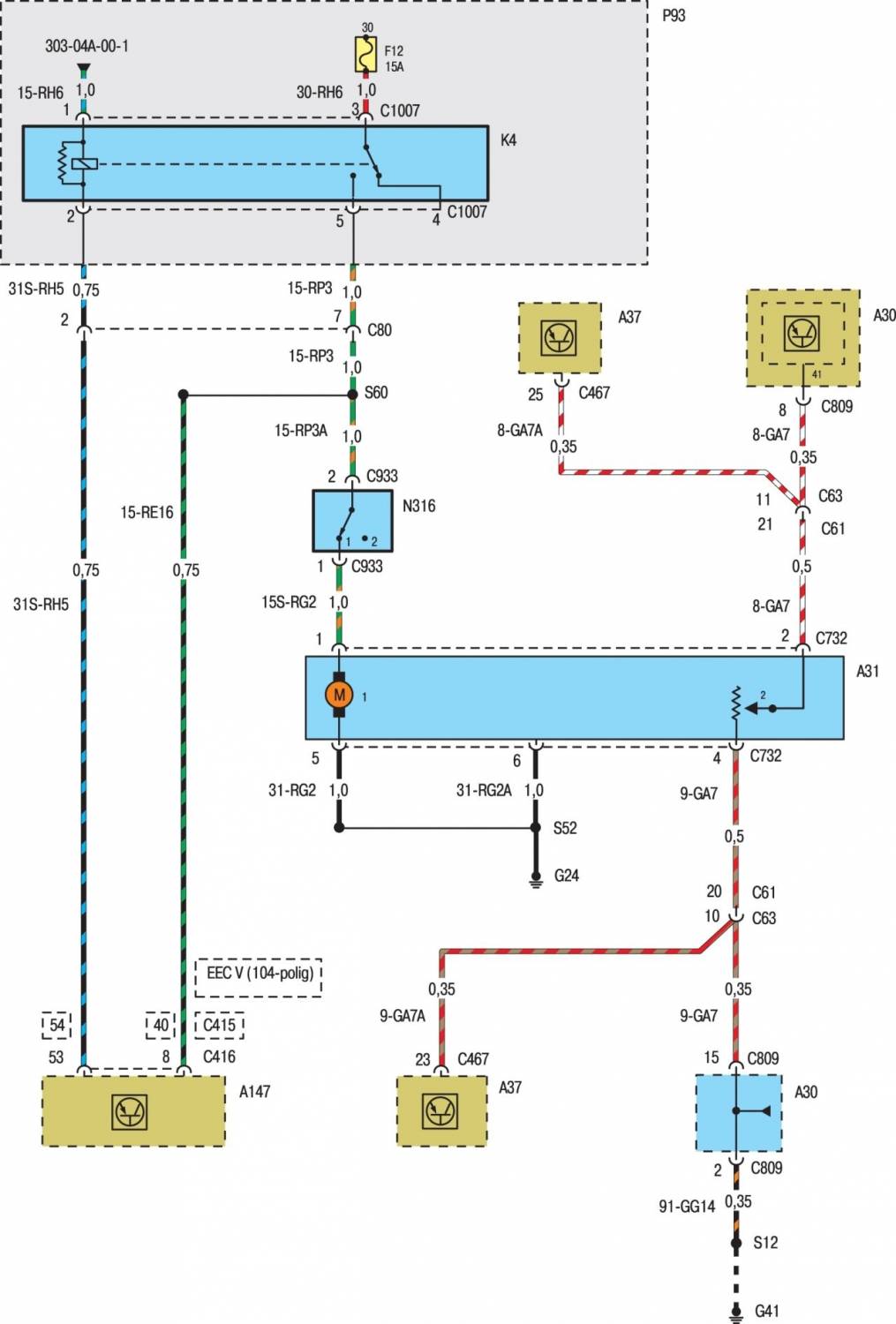
A31 — блок топливного бака
A31 (1) — топливный насос
A33 — индикатор отказа лампы накаливания
A35 — модуль для приборов
A37 — модуль бортового компьютера
A37 (1) — аварийный сигнал включен
A38 — центральный блок регулирования времени
A39 — реле аварийного сигнала
A39 (1) — аварийный сигнал включен
A40 — блок переключения передач
A77 — модуль запирания дверей, противоугонная система/центральный замок
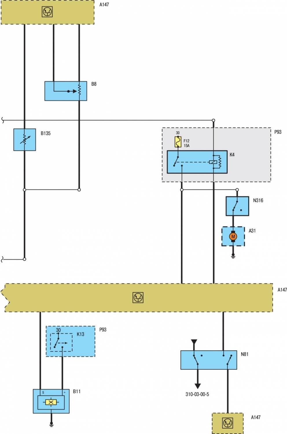
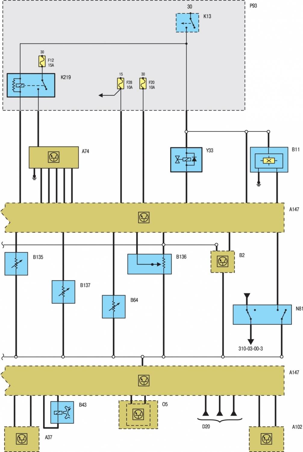
A147 — электронный блок управления двигателем
A149 — модуль регулировки впускного коллектора
A157 — блок управления системы навигации
B5 — датчик температуры всасываемого воздуха
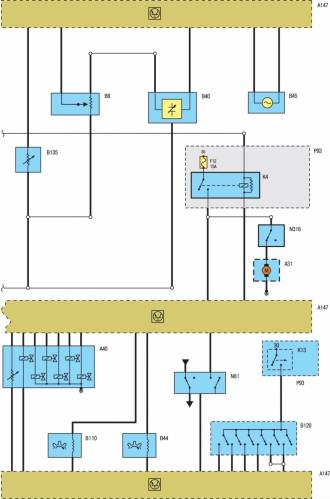
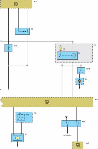
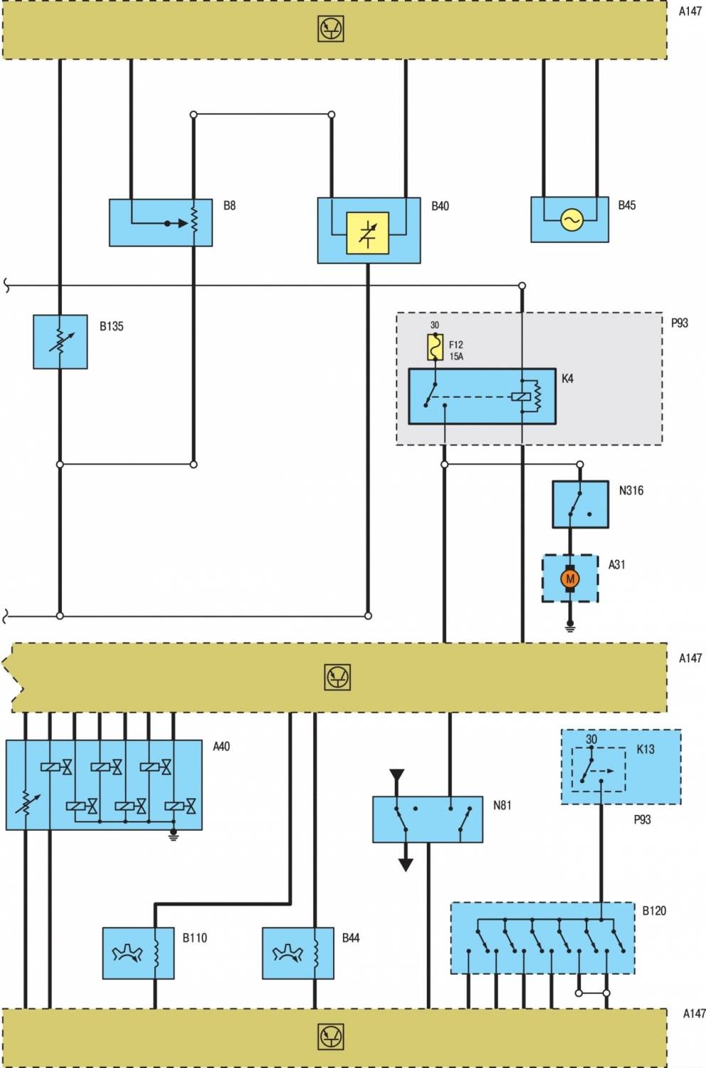
B8 — датчик угла положения дроссельной заслонки
B10 — датчик температуры охлаждающей жидкости
B11 — датчик скорости движения
B22 — массовый расходомер воздуха
B40 — датчик давления отработавших газов
B41 — датчик положения распределительного вала
B43 — датчик положения коленчатого вала
B44 — датчик частоты вращения первичного вала коробки передач
B89 — лямбда-зонд с предварительным нагревом
B99 — датчик переключения передач (автоматическая коробка передач с противоугонной системой сигнализации (с модульным блокиратором движения))
B120 — датчик переключения передач (автоматическая коробка передач, без блокиратора движения)
D2 — октан-корректор
D20 — шина для передачи данных
E1 — фара левая
E1 (1) — ближний свет
E1 (2) — стояночный огонь
E1 (3) — дальний свет
E3 — левый передний указатель поворота
E7 — фара правая
E7 (1) — ближний свет
E7 (2) — стояночный огонь
E7 (3) — дальний свет
E8 — правый передний указатель поворота
E9 — левый задний фонарь
E9 (1) — фонари указателей поворота
E9 (2) — стоп-сигнал
E9 (3) — передние противотуманные фары
E9 (4) — задний фонарь
E9 (6) — фонарь заднего хода
E10 — правый задний фонарь
E10 (1) — фонари указателей поворота
E10 (2) — стоп-сигнал
E10 (3) — передние противотуманные фары
E10 (4) — задний фонарь
E10 (6) — фонарь заднего хода
E44 — правый боковой повторитель указателя поворота,
E45 — левый боковой повторитель указателя поворота
E70 — верхний стоп-сигнал
K1 — реле обогрева заднего стекла
K4 — реле топливного насоса
K5 — реле дневного освещения
K22 — реле стартера
K32 — реле открытой дроссельной заслонки
K34 — реле очистителя фар
K36 — реле ближнего света
K37 — реле дальнего света
K39 — реле-прерыватель указателей поворота
K40 — реле обогрева ветрового стекла
K41 — реле системы зажигания
K43 — реле аварийной световой сигнализации и противоугонной системы, левый борт
K44 — реле аварийной световой сигнализации и противоугонной системы, правый борт
K45 — реле вентилятора системы охлаждения двигателя
K46 — реле вентилятора системы охлаждения двигателя (высокая частота вращения)
K47 — реле внутреннего освещения
K110 — реле задней двери
K163 — реле блока управления
M8 — стартер
M9 — двигатель стеклоочистителя, задний
M9 (0) — выключен
M9 (1) — включен
M112 — двигатель насоса омывателя ветрового стекла
M37 — двигатель вентилятора системы охлаждения
M38 — двигатель вентилятора системы охлаждения (второй двигатель)
N15 — выключатель стоп-сигнала
N15 (1) — нормальное положение
N15 (2) — педаль нажата
N61 — нажимной переключатель
N61 (1) — нормальный режим
N61 (2) — после столкновения
N76 — двойной нажимной выключатель
N76 (1) — нормальное давление
N76 (2) — высокое давление
N81 — переключатель педали сцепления
N81 (1) — педаль нажата
N81 (2) — нормальное положение
N90 — переключатель указателей поворотов и дальнего света
N90 (0) — нейтральное положение
N90 (1) — дальний свет
N90 (2) — прерывистый сигнал дальнего света
N90 (3) — указатели поворота, справа
N90 (4) — фонари указателей, справа
N90 (5) — указатели поворота слева
N90 (6) — фонари указателей, слева
N90 (7) — фонари аварийной сигнализации
N92 — переключатель выбора передачи
N93 — блок переключателей
N96 — нажимной выключатель гидропривода рулевого управления
N104 — переключатель стеклоочистителя
N104 (0) — выключен
N104 (5) — стеклоомыватель, передний
N104 (6) — стеклоомыватель, задний
N104 (7) — стеклоочиститель, задний
N120 — выключатель внешнего освещения
N120 (0) — выключено
N120 (1) — габаритное освещение
N120 (2) — ближний свет
N120 (8) — левый парковочный фонарь
N120 (9) — правый парковочный фонарь
N120 (10) — передние противотуманные фары
N120 (11) — задние противотуманные фары
N278 — замок зажигания
N278 (0) — выключено
N278 (1) — радиоприемник
N278 (2) — зажигание
N278 (3) — включение стартера
O1 — аккумуляторная батарея
O5 — генератор
P7 — шина короткого замыкания
P9 — шина короткого замыкания (механическая ступенчатая коробка передач, без блокировки движения)
P23 — токопроводящая шина противотуманных фонарей
P91 — центральная разветвительная розетка
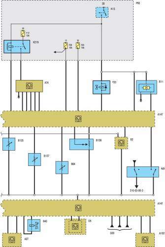
P93 — разветвительная розетка аккумулятора
P136 — свечи зажигания
P138 — токопроводящая шина
R27 — двигатель вентилятора системы охлаждения
T1 — катушка зажигания
U1 — конденсатор катушки зажигания
V8 — диод реле стартера
V10 — диод реле зажигания
V8 — диод реле стартера
Y1 — клапан переключения бачка с активированным углем
Y13 — регулировочный клапан холостого хода
Y33 — клапан переключения электромагнитного регулятора низкого давления
Y34 — клапан переключения всасываемого воздуха
Y108 — топливная форсунка
Y109 — топливная форсунка
Y110 — топливная форсунка
Y111 — топливная форсунка
Y112 — топливная форсунка
Y113 — топливная форсунка










