Цветные схемы высококачественные электрооборудования Форд Мондео с 2007 г. В данном материале показана электросхема легкового автомобиля FORD MONDEO. Система управление двигателями, запуск двигателя и зарядка аккумуляторной батареи, система охлаждения двигателей, диагностический разъем, центральный замок, привод стеклоподъемников, фонари заднего хода, передние и задние противотуманные фары, габаритные огни и огни освещения номерного знака, указатели поворотов и аварийная сигнализация, а также остальные системы и электропроводка для соединения всех этих узлов.
Схемы электрооборудования Форд Мондео
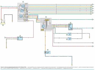
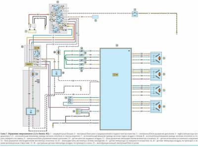
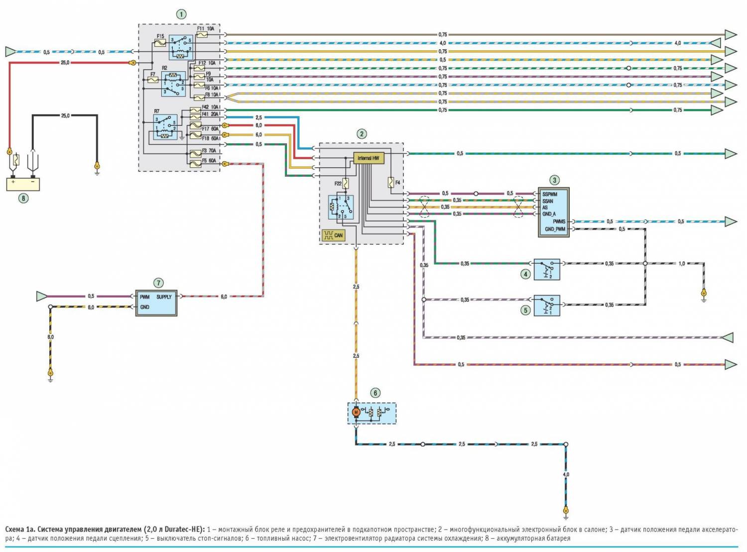
Система управления двигателем — подключение
Схема комбинации приборов
Система ABS Мондео
Рулевое управление
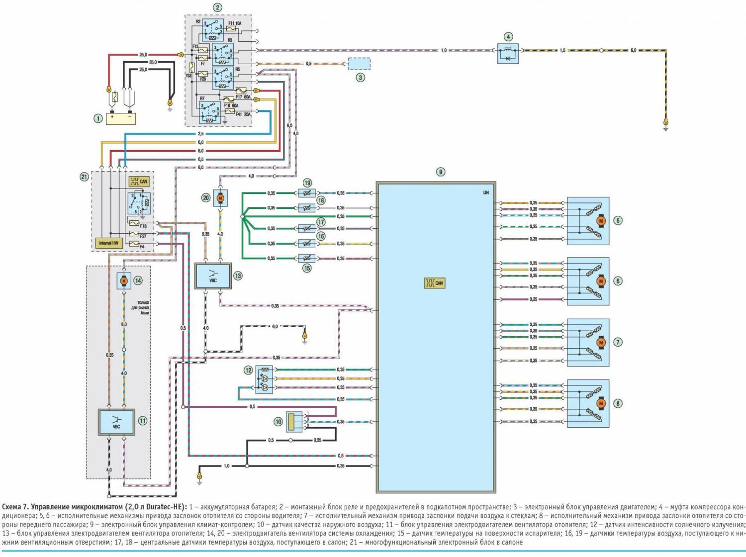
Управление микроклиматом авто
Подключение передних фар
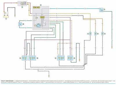
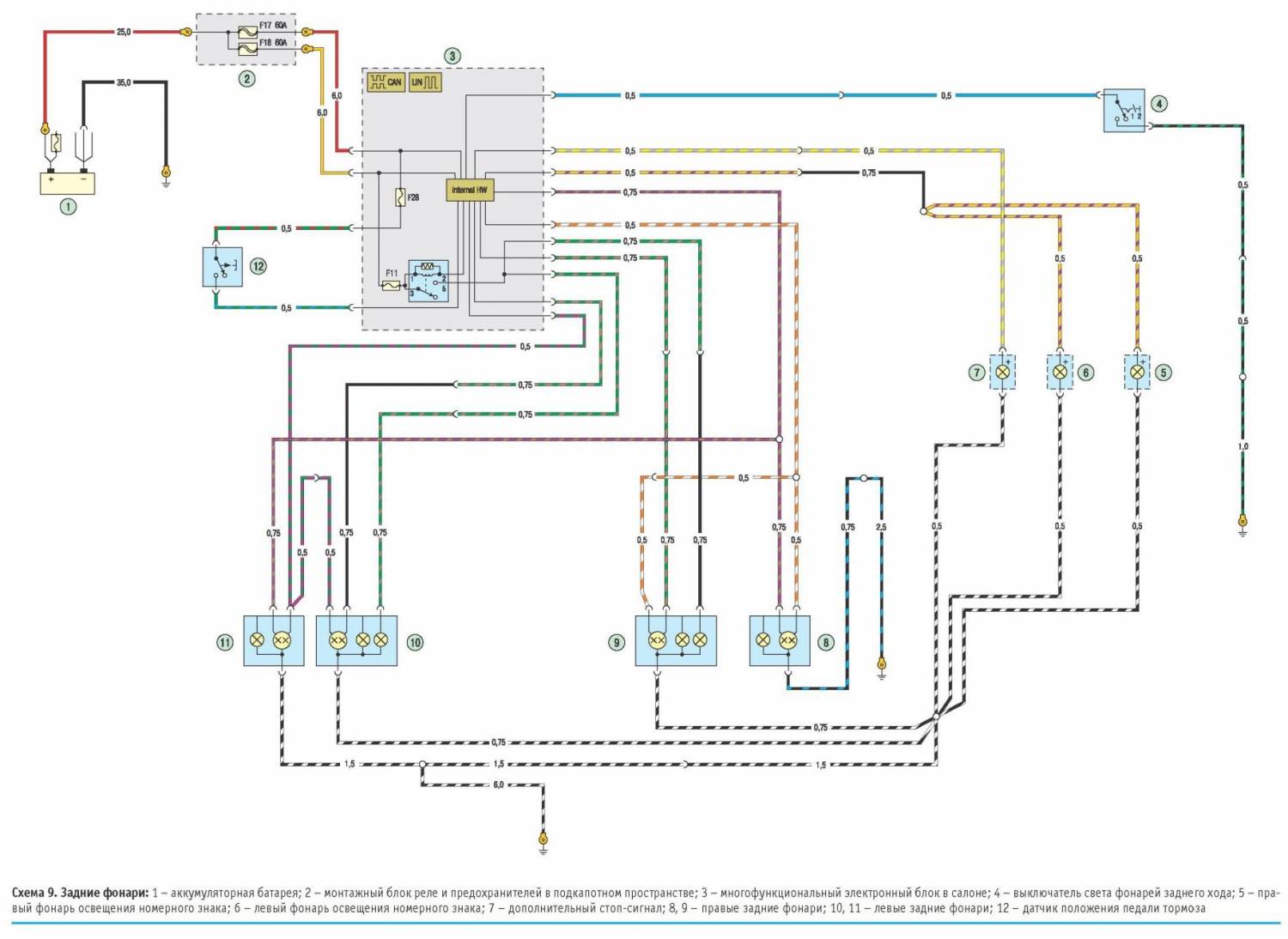
Другие фары Форд Мондео
Предохранители и реле FORD MONDEO
Расположение предохранителей и реле в монтажном блоке, установленном в подкапотном пространстве
Предохранители в центральном монтажном блоке, расположенном в салоне
Расположение предохранителей в заднем монтажном блоке, установленном в багажном отделении автомобилей с кузовами седан и хэтчбек
Предохранители в заднем монтажном блоке, в багажном отделении автомобилей с кузовом универсал




















