Представляем эл.схемы на Hyundai Sonata 2001-2005 г.в. Усовершенствованный 2,0-литровый 4-цилиндровый рядный двигатель нового Hyundai Sonata является настоящим произведением технического искусства. Он экономичен и легок, поскольку целиком сделан из алюминиевого сплава. А уменьшение массы автомобиля за счет использования новых материалов позволило увеличить ресурс двигателя и снизить расхода топлива. Если вы увлекаетесь спортивной ездой, но не забываете об экономии топлива, то 5-скоростная механическая коробка передач — это вариант для вас. Для тех же кто предпочитает плавное и успокаивающее движение по дороге, мы предлагаем 4-скоростную автоматическую коробку H-Matic, которая также позволит переключать передачи вручную, без участия механизмов сцепления.
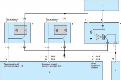
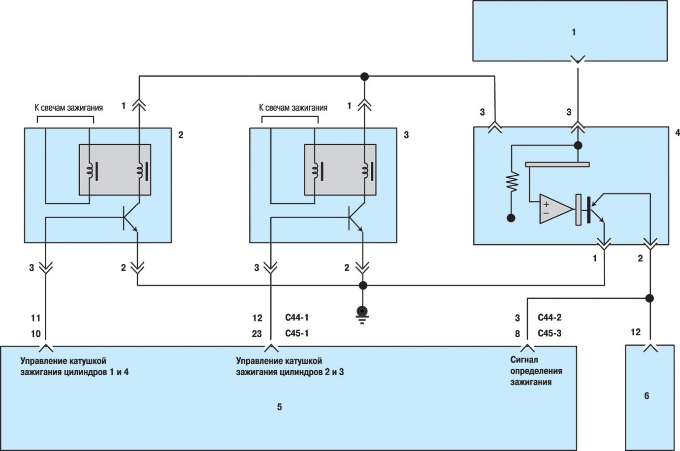
Схема системы зажигания двигателей DOHC
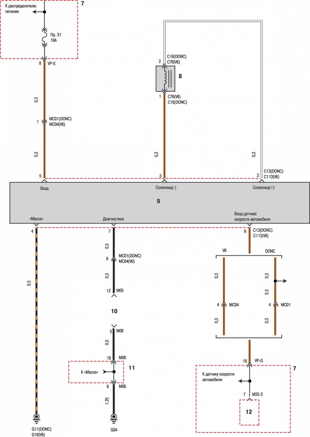
Эл.схема системы рулевого управления EPS на Хендай Соната
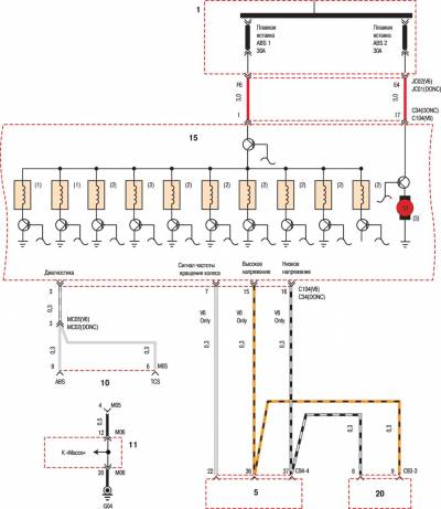
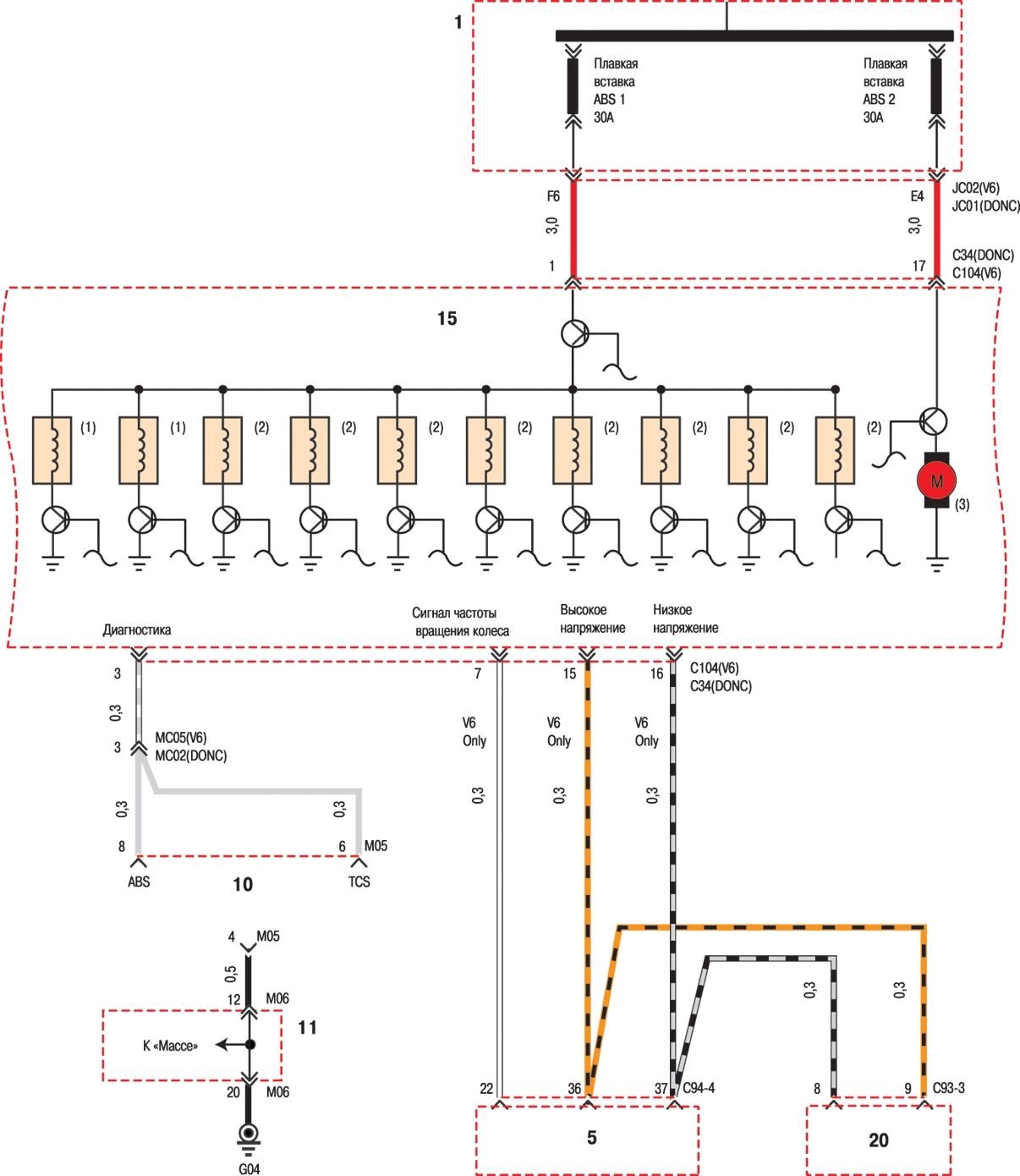
Антиблокировочная система тормозов — схема
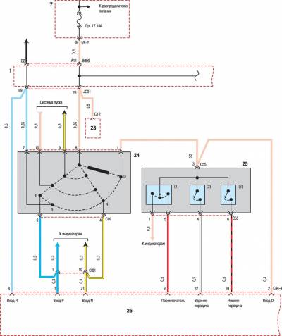
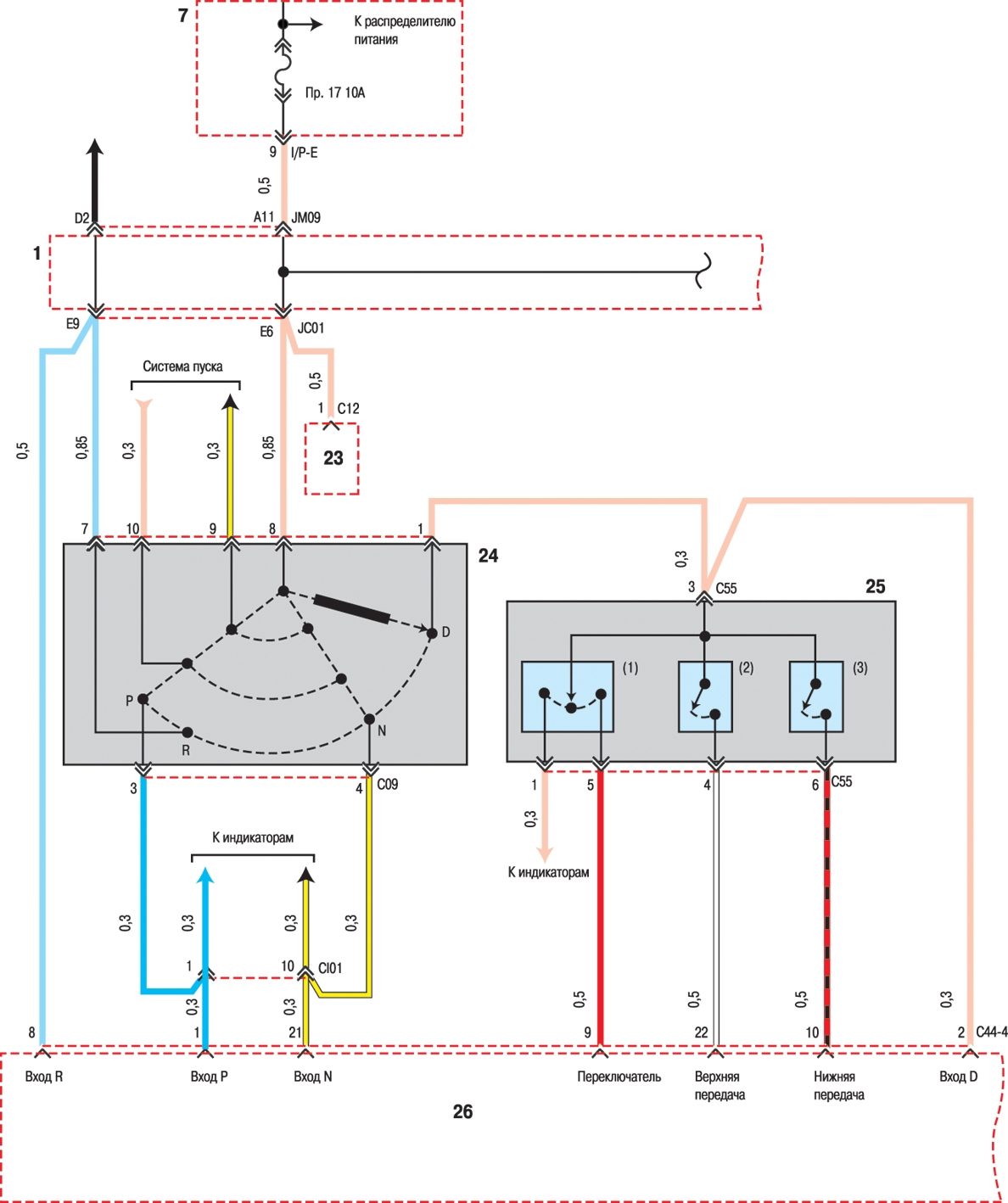
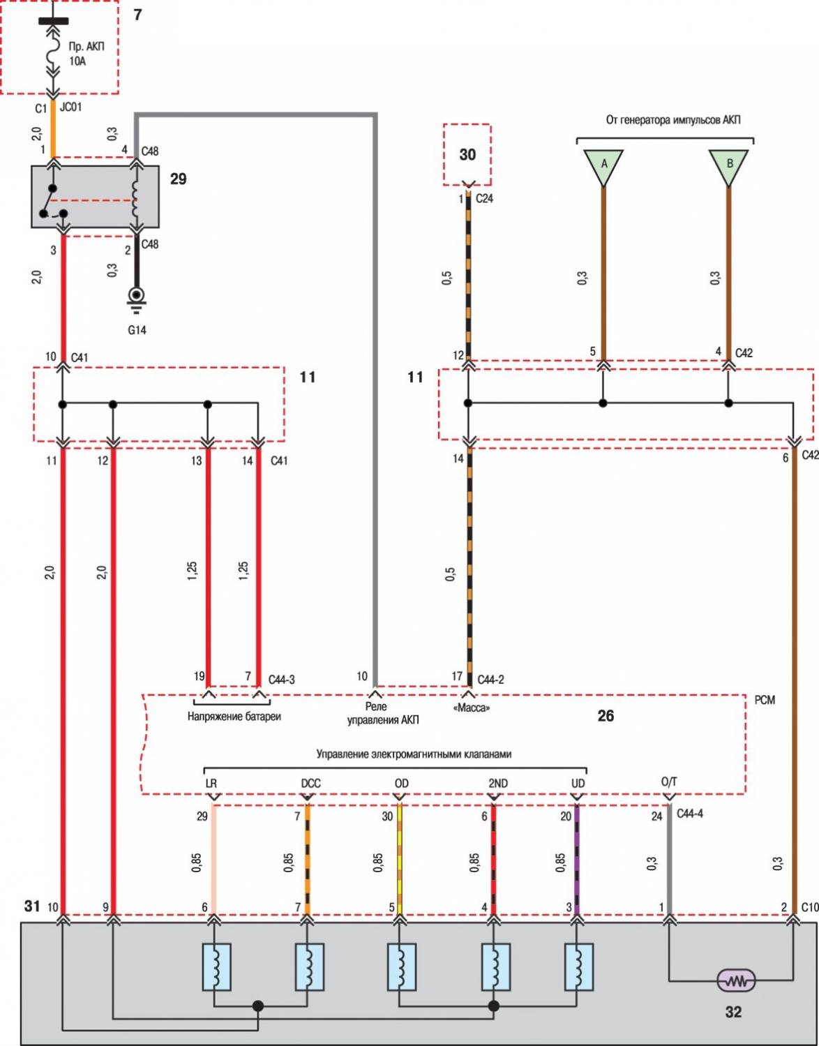
Управление автоматической коробкой передач — эл.схема
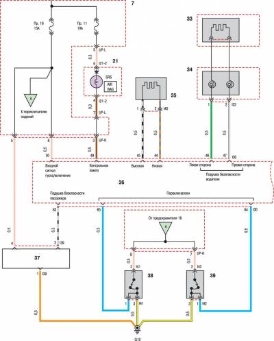
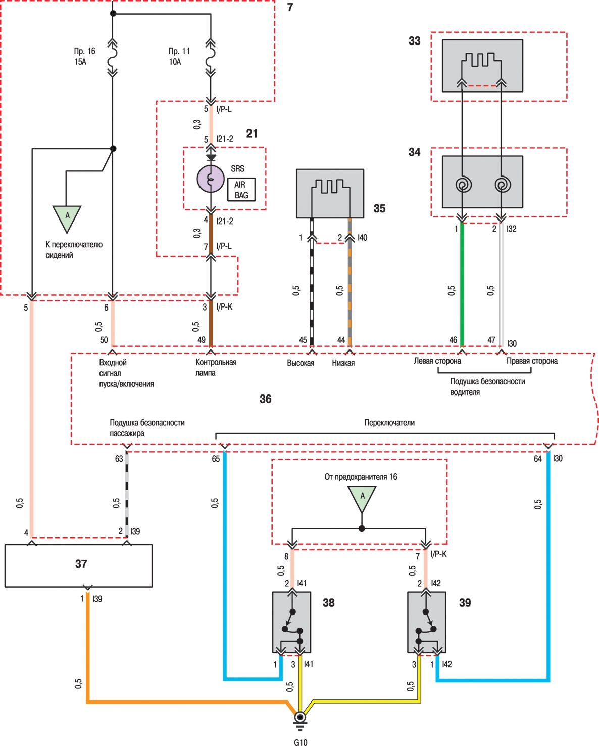
Схема системы безопасности на Hyundai Sonata
Условные обозначения на эл.схемах на Хендай Соната
1 распределительный блок в моторном отсеке
2 катушка зажигания №1
3 катушка зажигания №2
4 датчик отключения зажигания
5 блок управления двигателем ЕСМ
6 тахометр
7 распределительный блок со стороны переднего пассажира
8 соленоид электронной системы рулевого управления (EPS)
9 блок электронной системы рулевого управления (ЕР SСМ)
10 диагностический разъем
11 соединительный разъем
12 блок электронной предупредительной сигнализации (ЕТАСМ)
13 выключатель стоп-сигнала:
(1) разомкнут при нажатой педали тормоза
(2) замкнут при нажатой педали тормоза
14 блок управления круиз-контролем
15 блок ABS:
(1) соленоид TCS
(2) соленоид АВS
(3) двигатель насоса АВS
16 датчик частоты вращения левого переднего колеса
17 датчик частоты вращения правого переднего колеса
18 датчик частоты вращения левого заднего колеса
19 датчик частоты вращения правого заднего колеса
20 блок управления коробкой передач (ТСМ)
21 комбинация приборов:
(1) контрольная лампа тормозов
(2) контрольная лампа ABS
(3) контрольная лампа TCS OFF
(4) контрольная лампа TCS
(5) схема управления индикаторами
22 переключатель ТСМ
23 датчик частоты вращения колеса
24 переключатель диапазонов коробки передач
25 переключатель спортивного режима:
(1) переключатель выбора нормальный/спортивный
(2) верхняя передача
(3) нижняя передача
26 блок РСМ
27 генератор импульсов «А»
28 генератор импульсов «В»
29 реле управления автоматической коробкой передач
30 датчик положения дроссельной заслонки
31 блок электромагнитных клапанов автоматической коробки передач
32 датчик температуры рабочей жидкости
33 подушка безопасности водителя (в рулевом колесе)
34 спиральная пружина
35 подушка безопасности переднего пассажира
36 блок управления подушками безопасности (SRS)
37 датчик обнаружения наличия пассажира
38 переключатель на сиденье водителя
39 переключатель на сиденье переднего пассажира
40 боковая подушка безопасности водителя
41 боковая подушка безопасности пассажира
42 двигатель преднатяжителя ремня безопасности водителя
43 двигатель преднатяжителя ремня безопасности пассажира
44 датчик-спутник водителя
45 датчик-спутник пассажира
46 реле вентилятора
47 двигатель вентилятора
48 блок резисторов вентилятора
49 переключатель частоты вращения вентилятора:
(1) выключено
(2) низкая частота
(3) средняя частота
(4) высокая частота
(5) максимальная частота
50 температурный привод
51 датчик температуры охлаждающей жидкости
52 привод заслонки
53 выключатель кондиционера
54 впускной привод
55 реле управления двигателем
56 реле кондиционера
57 термостатический переключатель
58 тройной переключатель:
(1) средняя
(2) низкая
(3) высокая
59 реле низкой частоты вентилятора конденсора
60 компрессор кондиционера
61 датчик AQS
62 силовой транзистор
63 реле высокой частоты вентилятора
64 блок управления кондиционером
65 фотодатчик
66 датчик влажности
67 датчик системы улавливания паров топлива
68 датчик температуры окружающего воздуха










