Все схемы электрооборудования на такую модель Hyundai, как Solaris с 2011 и младше г.в. Несмотря на относительно маленький объем двигателя 1,4 л и 1,6 л, автомобиль обладает достаточно большой мощностью 107 л.с. и 124 л.с. Коробка передач устанавливается двух видов – автоматическая и механическая. Самый главный вопрос, который интересует большинство читателей – это расход топлива в различных режимах. Как утверждают конструкторы данного авто, средний расход топлива не превысит 6,2 литра на 100 км. Емкость топливного бака составляет 45 литров, что вполне достаточно для продолжительных поездок. Уровень вредных выбросов соответствует нормам Евро-4. Подвеска автомобиля обеспечит комфортную езду практически по любым автодорогам. Спереди подвеска двухрычажная, а сзади торсионная балка. Масса снаряженного Hyundai Solaris, составляет чуть более 1,1 тонны. Стоит также добавить, что кузов оцинкован, салон и сиденья удобны. Да и цена под стать любому среднего класса рабочему!!!
Электросхема соединений переднего жгута проводов
Схема соединений жгута проводов панели приборов
Соединения напольного жгута проводов (седан и хэтчбек) — эл.схема
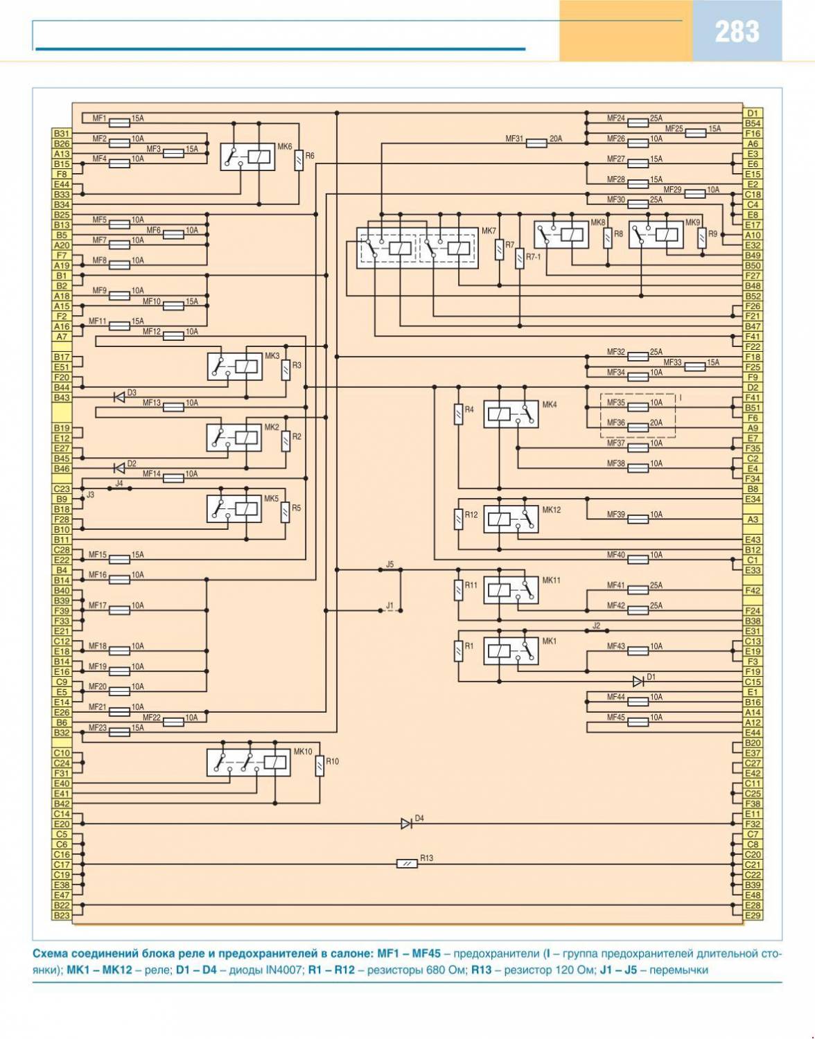
Схема соединений блока реле и предохранителей в салоне авто
Соединение жгута проводов передней левой двери — схема












