Данная статья с электрическими схемами, на Honda Accord 1998 — 1999 г.в. Автомобили имеют привод на передние колеса и могут быть оборудованы 5-ступенчатой ручной коробкой переключения передач (РКПП), либо 4-ступенчатой автоматической трансмиссией (АТ). Вращение на колеса передается посредством независимых приводных валов.Тормозные механизмы передних колес имеют дисковую конструкцию. Задние колеса могут быть оборудованы как дисковыми, так и барабанными тормозными механизмами. В стандартную комплектацию большинства моделей входит система антиблокировки тормозов (ABS).
Список используемых в эл.схемах аббревиатур на Хонда Аккорд
Латинские
2WBS э/магнитный клапан обхода адсорбера
A/C кондиционер воздуха
A/T автоматическая трансмиссия
ABS система антиблокировки тормозов
ACC положение замка зажигания при стоянке с включенными приборами
ACS кондиционер воздуха
ATP положение селектора AТ
BKSW датчик-выключатель педали тормоза
CKP (датчик) положения коленчатого вала
CRS темпостат
CYP датчик цилиндра
D4IND индикатор положения D4 АТ
ECA электронная сборка управления
ECT датчик температуры охлаждающей жидкости двигателя
E-EGR датчик системы EGR
EGR система рециркуляции отработавших газов
ELD детектор контроля электрических нагрузок
EVAP система улавливания топливных испарений
FANC вентилятор системы охлаждения
FLR главное реле PGMFI
GND масса
IAC (клапан) стабилизации оборотов холостого хода
IACV клапан стабилизации оборотов холостого хода
IAT (датчик) температуры всасываемого воздуха
ICM модуль управления зажиганием
IGN зажигание
IGP1, IGP2 общие выводы инжекторов
ILU блокировка передач
IMOCD —
IMOEN разрешение
IMOLMP лампа
IND контрольная лампа
INJ инжектор
K-LINE разъем данных
LG1, LG2 выводы массы 1 и 2
LOCK положение замка зажигания, блокирующее руль
LS электромагнит
M/T ручная коробка переключения передач
MAP (датчик) абсолютного давления во впускном трубопроводе
MCS э/м клапан устнатовленный на двигателе
MIL контрольная лампа отказов
O2S кислородный датчик (l-зонд)
OP2SW сигнал разомкнутого положения выключателя 2
OP3SW сигнал разомкнутого положения выключателя 3
PCS клапан продувки адсорбера
PG1, PG2 выводы массы 1 и 2
PGM-FI блок управления системой впрыска
PO2SHTC нагрев первичного l-зонда
PSPSW датчик давления гидроусилителя рулевого управл.
PTANK датчик давления в топливном баке
PWR питание
RPM обороты в минуту
RUN положение замка зажигания при заведенном двигателе
SCS электромагнитный клапан управления всасыванием воздуха
SHO2S вторичный l-зонд
SLU/SIL система блокировки переключения передач
SO2SHTS нагрев вторичного l-зонда
SRS система дополнительной подушки безопасности
START положение замка зажигания при запуске двигателя
STS питание в положении start
TDC ВМТ
TPS датчик/выключ. положения дроссельной заслонки
ULE двигатель с минимальными выбросами в атмосферу
VCC вязкостная муфта преобразователя вращения
VREF опорное напряжение (вырабатываемое еса напряжение)
VSS датчик/сигнал скорости автомобиля
VSV клапан отсечки продувки адсорбера
VTEC система динамического управления фазами ГРМ
VTS э/м клапан VTEC
Русские
АТ автоматическая трансмиссия
Д/В И Д/ВЫКЛЮЧ датчик-выключатель
К/В кондиционер воздуха
РКПП ручная коробка переключения передач
Э/М И Э/МАГН. электромагнитный
Э/МОТОР электромотор
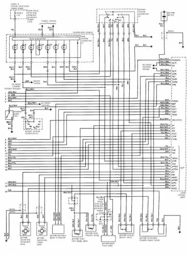
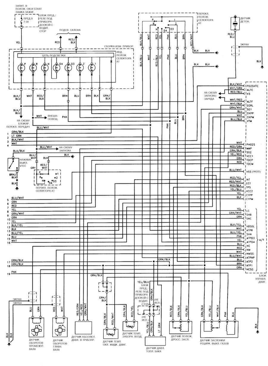
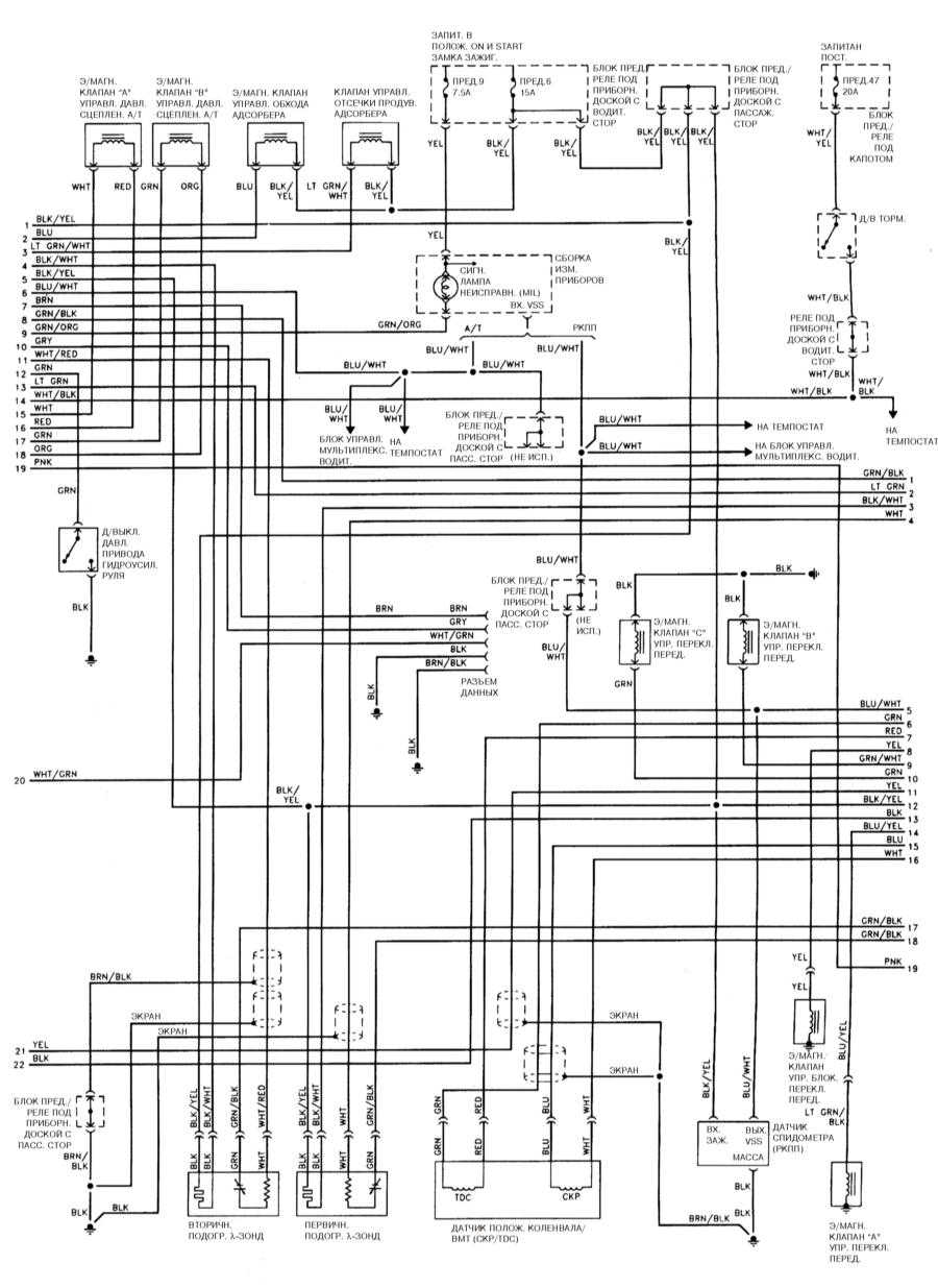
Цепи управления 4-цилиндрового двигателя — схема
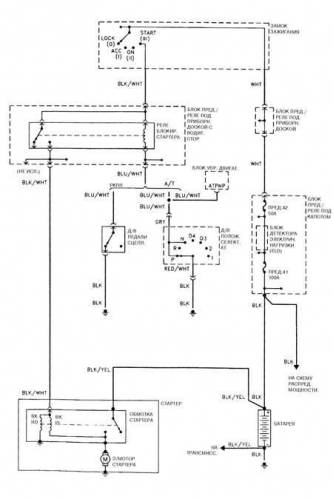
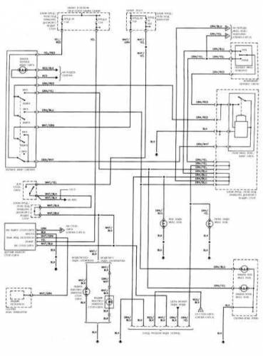
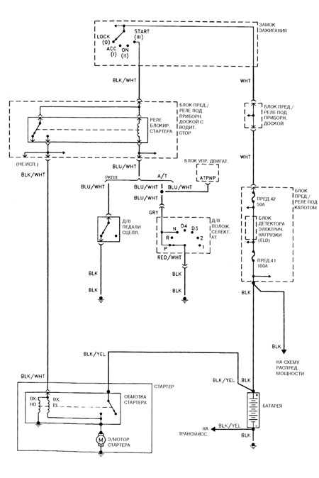
Схема системы запуска 4-цилиндрового двигателя
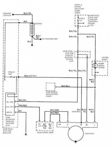
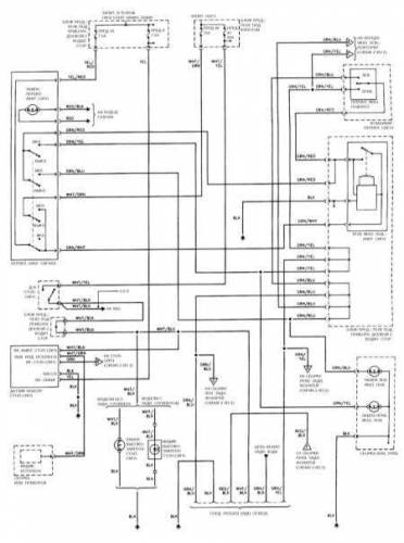
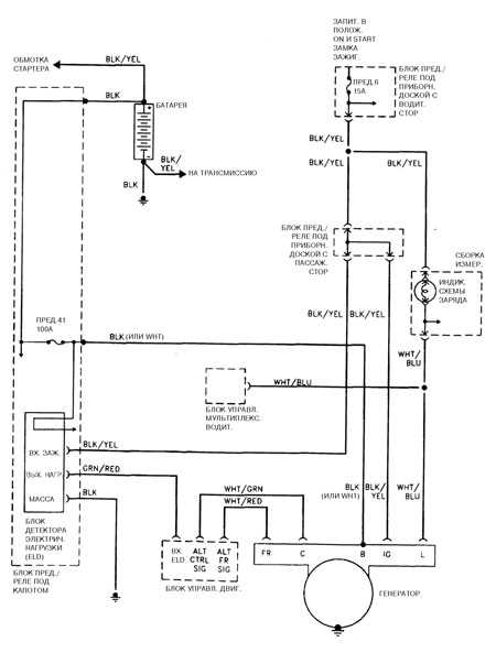
Эл.схема системы заряда 4-цилиндрового двигателя
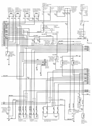
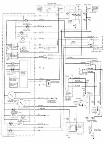
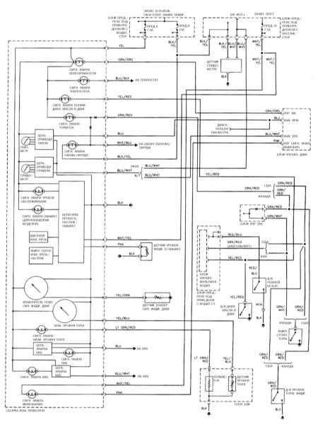
Схема приборной доски на Хонда Аккорд
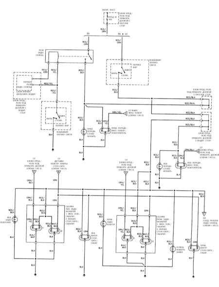
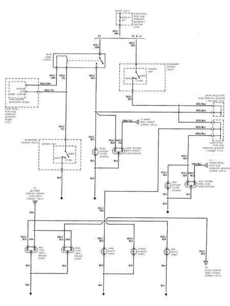
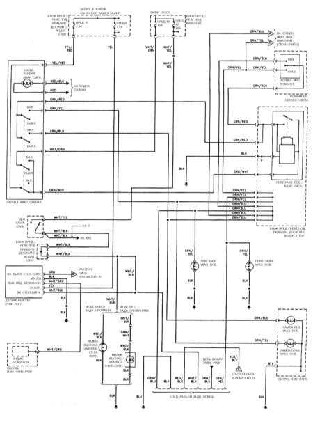
Эл.схема внешнего освещения — модели Купе
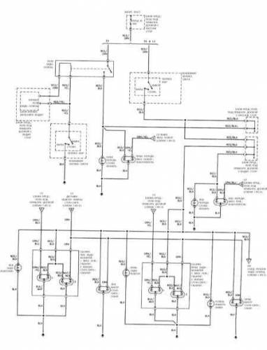
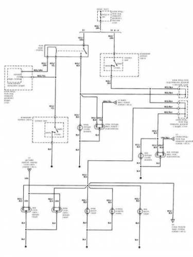
Схема внешнего освещения — модели Седан










