Специально для всех автосервисов и просто автовладельцев схемы электрооборудования на Chevrolet Lacetti седан с 2004 г.в. Слабое место — алюминиевые поддоны на двигателях 1.4 и 1.6, поэтому сливную пробку нужно зажимать аккуратно и не сильно, а также при каждом закручивании менять прокладочную шайбу. Если немного пережать, то образуется трещина и вдоль поддона начинает течь масло. Иногда, из-за некачественного топлива, выходит из строя нейтрализатор выхлопных газов (катализатор) внутри он плавится. Симптом выхода из строя катализатора пропадает тяга. Иногда после второй, третьей замены ремня ГРМ начинает подтекать кольцо под водяным насосом и начинает подтекать антифриз. Иногда закоксовывается дроссельная заслонка. Иногда появляется течь из-под прокладки масляного насоса. Всем на заметку!
Обозначения на электросхемах
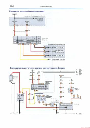
Схема выключателя зажигания, запуска двигателя и зарядки аккумуляторной батареи
Электросхема топливного модуля, клапана продувки адсорбера, датчика неровной дороги и клапана системы рециркуляции отработавших газов
Эл.схема датчиков системы управления двигателем, топливного насоса и форсунок
Схема электрокорректора фар на Шевроле Лачетти
Электросхема противотуманных фар и фонарей
Эл.схема звукового сигнала и освещения салона на авто
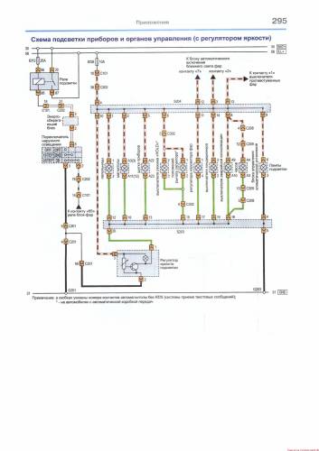
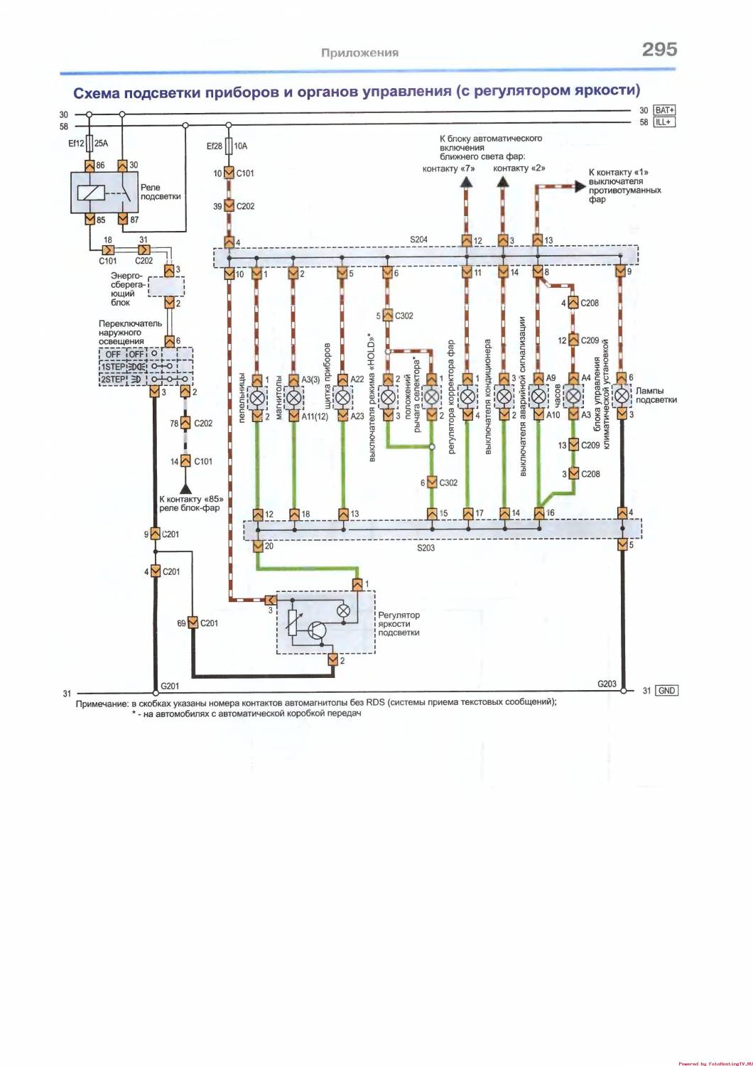
Схема подсветки приборов на Chevrolet Lacetti
Система зажигания, датчик системы управления двигателем — схема
Ближний и дальний свет фар — электросхема
Схема сигналов торможения и аварийной сигнализации
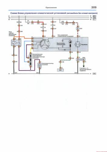
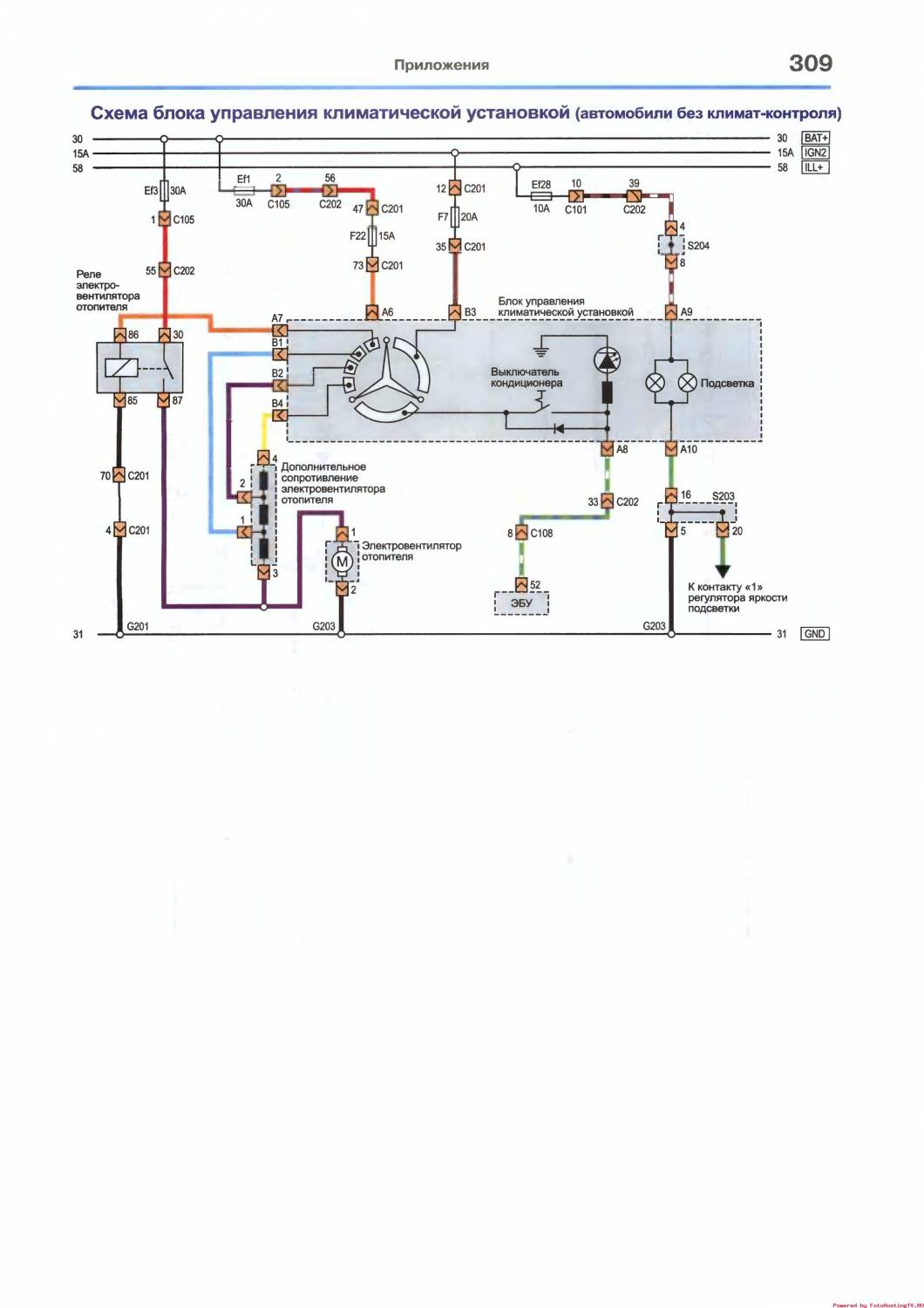
Блок управления климатической установкой — схема на Шевроле Лачетти
Схема диагностического разъема и иммобилайзера
Электросхема зуммера и противоугонной системы на Шевроле Лачетти















