Chevrolet Lanos 1,5 с 2004 г.в. и схемы электрооборудования к нему. Сборка автомобиля в Южной Корее была свернута в 2004 году. Недавно завод собирающий Lanos в Польше был перепрофилирован и производство Ланосов было прекращено. Сейчас Lanos собирают только во Вьетнаме и на Украине, Запорожским автомобилестроительным заводом. На рынок стран СНГ поставляются только украинские авто. Для украинского рынка оснащают моторами 1,5 л 8V (86 л.с.), 1,6 л 16V (106 л.с.). Во Вьетнаме базовой моделью является Lanos с двигателем 1,4 л 8V (75 л.с.). КПП на всех моделях 5-ступенчатая, механическая. Год назад автомобили под торговой маркой Сенс, т.е. Lanos с модифицированным двигателем от Таврии, стали выпускать под названием Lanos 1,5.
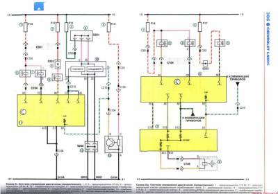
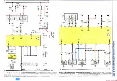
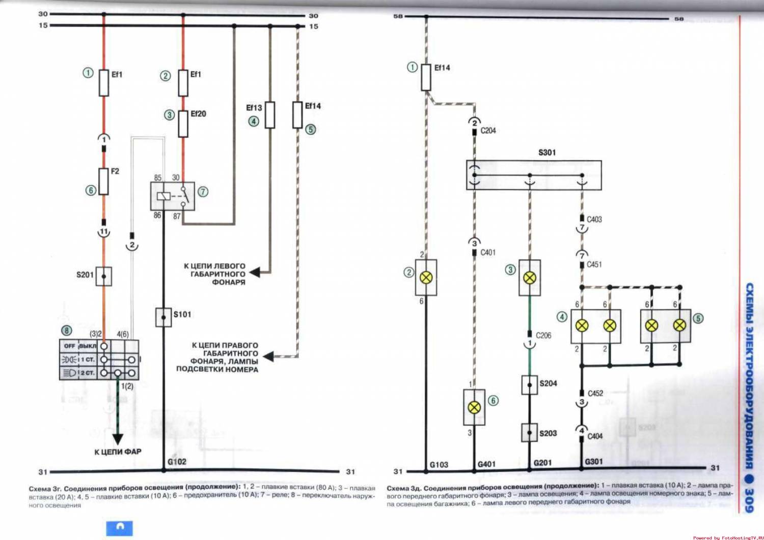
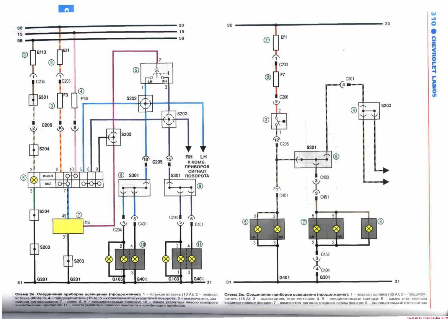
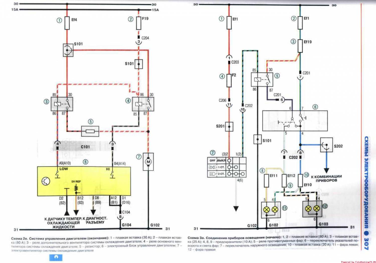
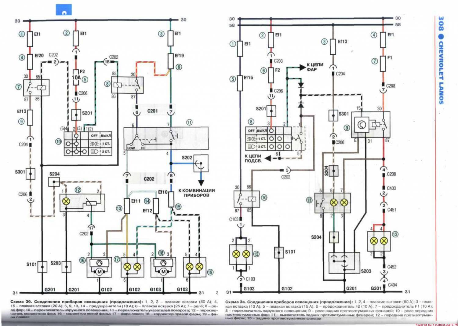
Схема генераторной установки, пуска двигателя, управления двигателем и соединения приборов освещения на Шевроле Ланос
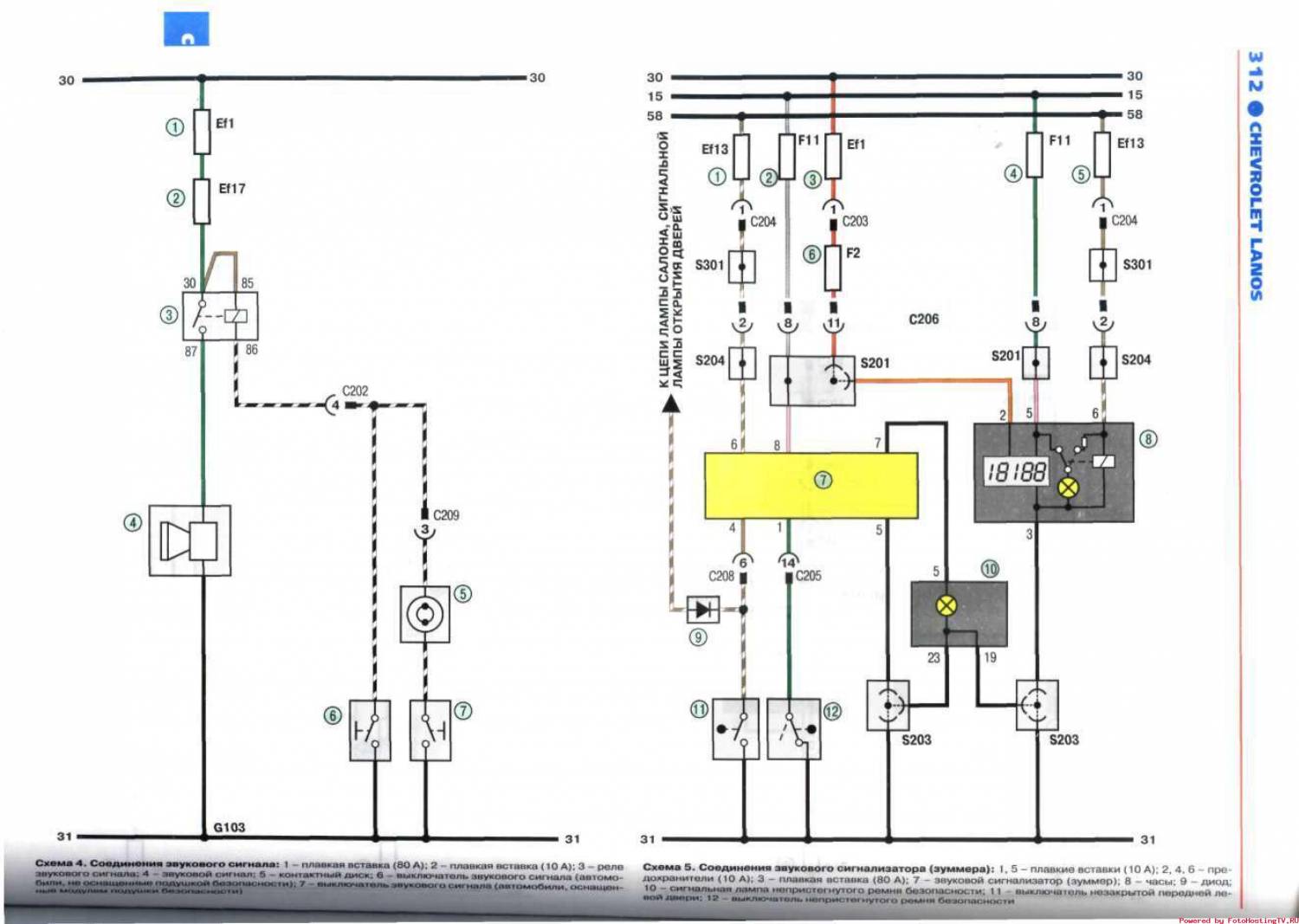
Электросхема звукового сигнала и зуммера
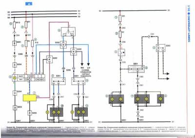
Эл.схема комбинации приборов и АБС тормозов на Chevrolet Lanos
Схема подушки безопасности и иммобилизатора
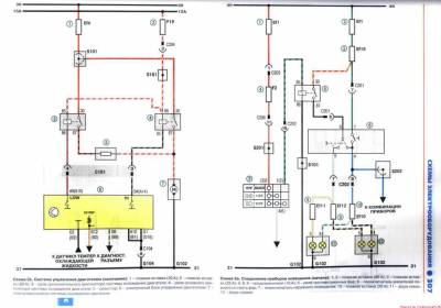
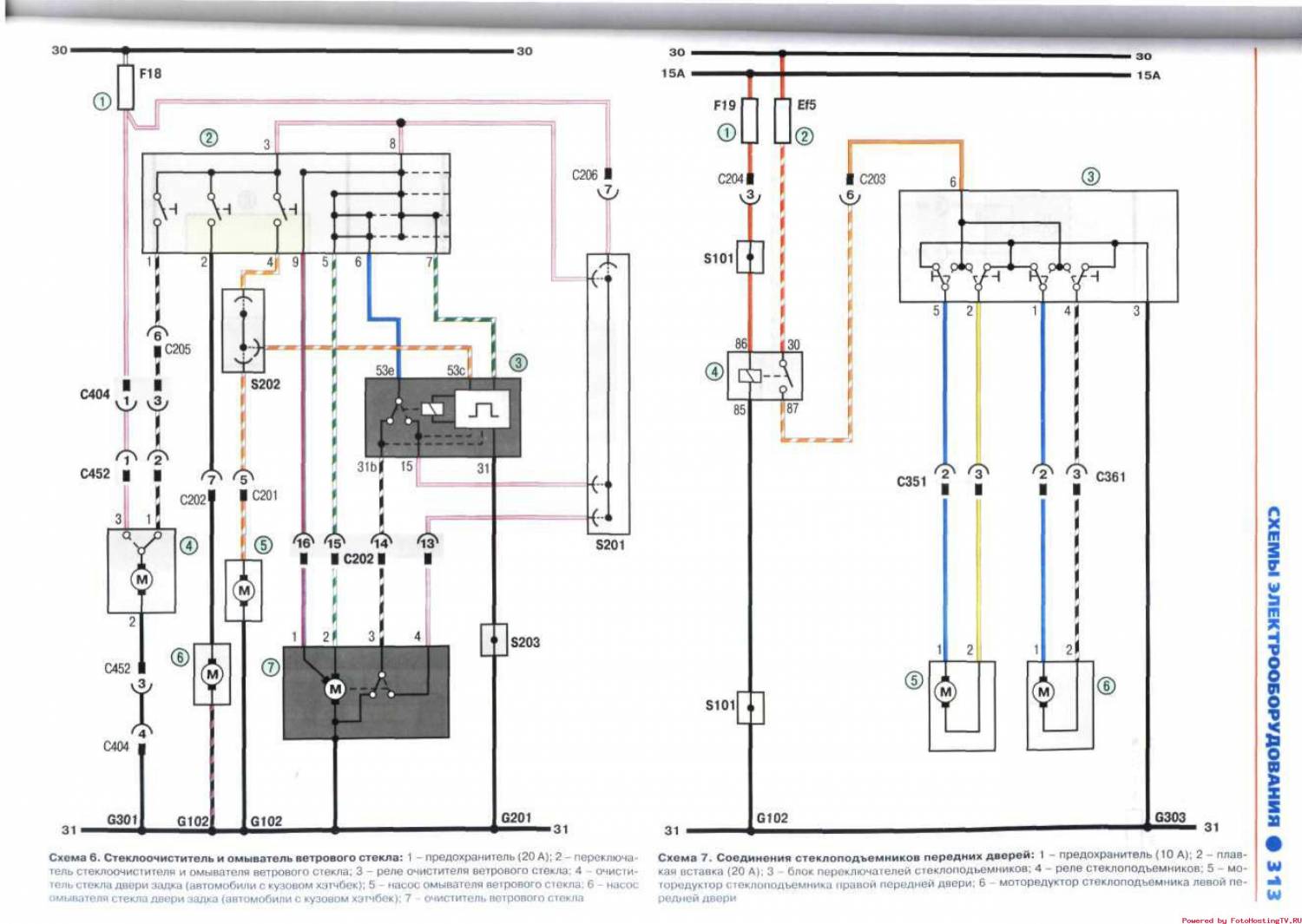
Эл.схема стеклочистителя и омывателя ветрового стекла, соединения стеклоподъемников передних дверей














