А вот и схемы электрооборудования на эксклюзив от Chevrolet — это Niva с 2009 г.в. На этом надежном внедорожнике склоны и подъемы, глубокие колеи в грязи или снегу, перекаты и впадины перестанут быть для вас проблемой и превратятся в увлекательное приключение. Вы будете удивлены, насколько легко и комфортно практичный вне дорожник Chevrolet NIVA преодолевает их благодаря своей энергоемкой подвеске и постоянному полному приводу. Отличный выбор для экономичной семьи.
Схема соединений переднего жгута проводов на Нива Шевроле
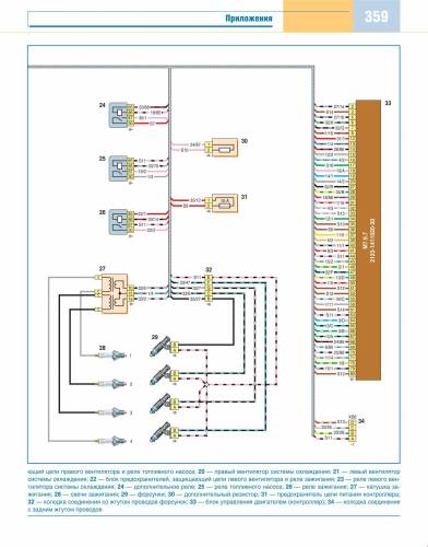
Электросхема соединений жгута проводов системы управления двигателем
Эл.схема соединений жгута проводов панели приборов
Схема соединений заднего жгута проводов
Электросхема соединений жгутов проводов левой и правой передних дверей
Эл.схема соединений жгутов левой и правой задних дверей, дополнительного жгута проводов двери багажного отделения, обогрева сидений на Chevrolet Niva
Контакты электрических разъемов
Схема соединений монтажного блока предохранителей и реле












