К сожаленью к данной модели а именно Alfa Romeo Spider 1600 Duetto 1963 г.в. не так уж и много схем электрооборудования, но кое-что имеется. В 1963 все модели получили стандартные дисковые тормоза на всех четырёх колёсах. В 1965 с введением 98-сильной Giulia Super была увеличена мощность. В течение нескольких лет проект претерпел незначительные изменения снаружи и внутри
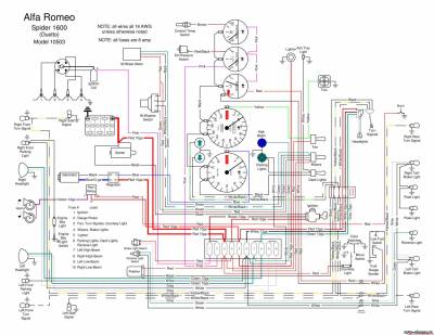
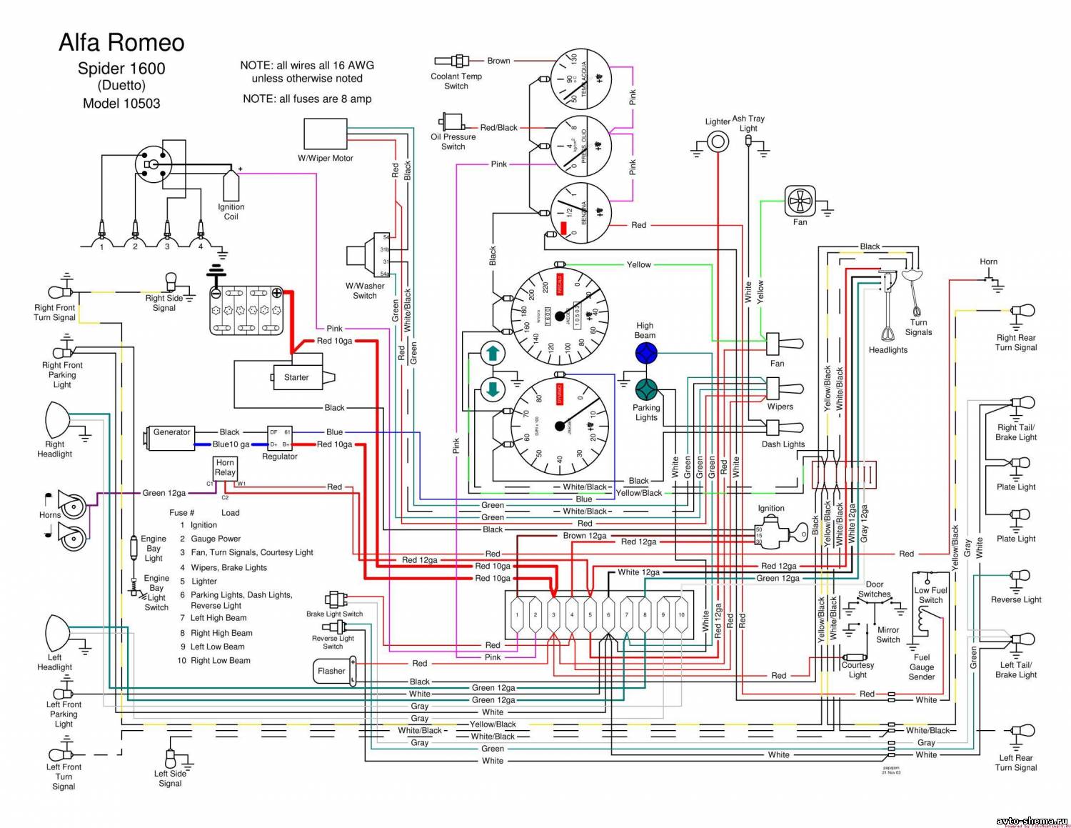
Общая схема электрооборудования на модель 10503

